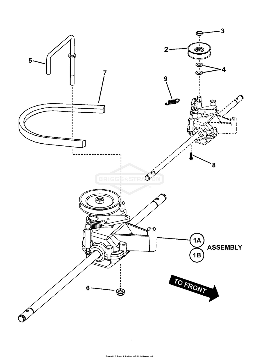
TRANSMISSION

Zeichnung Snapper 7800008 - SPV21E, 21" 6.5 HP Steel Deck Electric Start Easy Line Walk Mower - Zeichnung TRANSMISSION:

Zeichnung

Sollten Sie Fragen zu einem Ersatzteil haben, können Sie uns gerne eine Ersatzteilanfrage stellen.

Hier finden Sie alle Ersatzteile von Snapper 7800008 - SPV21E, 21" 6.5 HP Steel Deck Electric Start Easy Line Walk Mower der Zeichnungsgruppe TRANSMISSION:
Artikel 1 - 9 von 9


Artikel 1 - 9 von 9