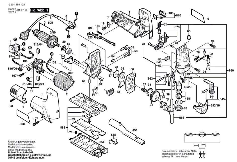
Stichsäge GST 100 ( 0 601 588 150 )

Zeichnung Bosch Stichsäge GST 100 0 601 588 150:

Zeichnung 1

Sollten Sie Fragen zu einem Ersatzteil haben, können Sie uns gerne eine Ersatzteilanfrage stellen.

Hier finden Sie alle Ersatzteile für Bosch Stichsäge GST 100 0 601 588 150:
Artikel 1 - 20 von 49

5,78 € *
Lieferzeit: 2 - 10 Werktage
45,51 € *
Lieferzeit: 2 - 10 Werktage
9,88 € *
Lieferzeit: 2 - 10 Werktage
45,51 € *
Lieferzeit: 2 - 10 Werktage
4,86 € *
Lieferzeit: 2 - 10 Werktage
21,97 € *
Lieferzeit: 2 - 10 Werktage
4,52 € *
Lieferzeit: 2 - 10 Werktage
12,97 € *
Lieferzeit: 2 - 10 Werktage
4,52 € *
Lieferzeit: 2 - 10 Werktage
4,52 € *
Lieferzeit: 2 - 10 Werktage

Artikel 1 - 20 von 49