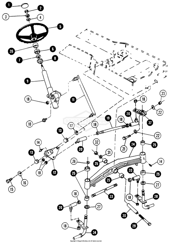
Steering, Front Suspension

Zeichnung Snapper 80124 - 1600A, 16 HP Gear Drive Garden Tractor (MF) aus der Zeichnungsgruppe Steering, Front Suspension:

Zeichnung

Sollten Sie Fragen zu einem Ersatzteil haben, können Sie uns gerne eine Ersatzteilanfrage stellen.

Hier finden Sie alle Ersatzteile von Snapper 80124 - 1600A, 16 HP Gear Drive Garden Tractor (MF) der Zeichnungsgruppe Steering, Front Suspension:
Artikel 1 - 19 von 19


Artikel 1 - 19 von 19