Snow Hurricane Rahmen

Zeichnungen von Stiga Schneefräsen SNOW BLIZZARD mit Geräte Nr. 18-2830-24 ab Baujahr 2004

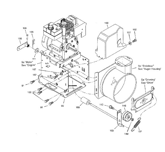
Zeichnung


Beachten Sie bitte, dass die Gerätebezeichnung Stiga Schneefräsen SNOW BLIZZARD, das Baujahr ab 2004 und die Geräte Nr. 18-2830-24 lauten muss, denn nur so kann sichergestellt werden, dass das Ersatzteil passt.
Nur die hier aufgeführten Ersatzteile sind für dieses Gerät verfügbar. Alle anderen Ersatzteile sind nicht mehr lieferbar.
Ersatzteile von Stiga Schneefräsen SNOW BLIZZARD (Geräte ID 18-2830-24) Baujahr ab Bj 2004:
Artikel 1 - 6 von 6


Artikel 1 - 6 von 6