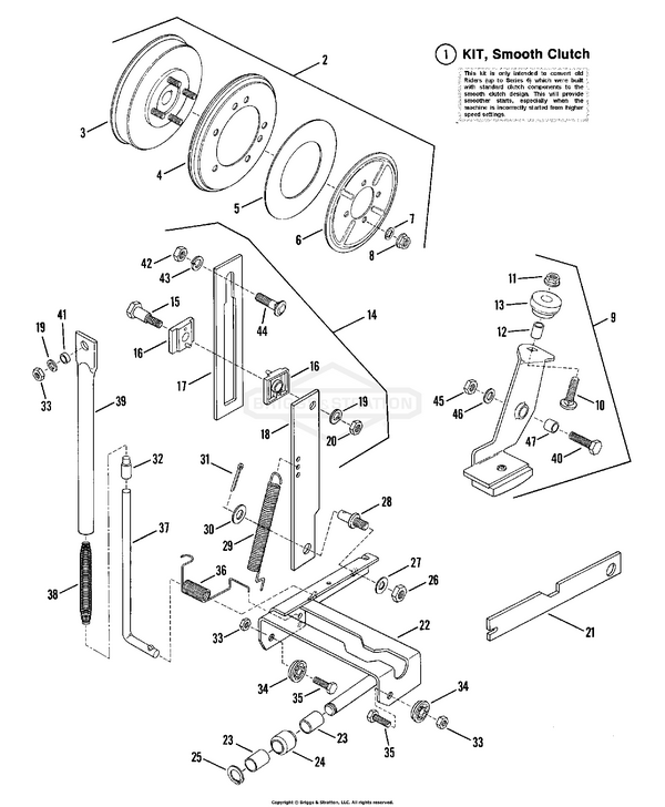
Smooth Clutch Kit

Zeichnung Snapper 89784 - 33113S, 33" 11 HP Rear Engine Rider Series 3 (89784) - Zeichnungsgruppe Smooth Clutch Kit:

Zeichnung

Sollten Sie Fragen zu einem Ersatzteil haben, können Sie uns gerne eine Ersatzteilanfrage stellen.

Hier finden Sie alle Ersatzteile von Snapper 89784 - 33113S, 33" 11 HP Rear Engine Rider Series 3 (89784) der Zeichnungsgruppe Smooth Clutch Kit:
Artikel 1 - 20 von 35


Artikel 1 - 20 von 35