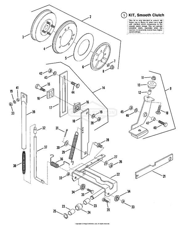
Smooth Clutch Assembly

Zeichnung Snapper 88577 - 25064S, 25" 6 HP Rear Engine Rider Series 4 - Zeichnungsgruppe Smooth Clutch Assembly:

Zeichnung

Sollten Sie Fragen zu einem Ersatzteil haben, können Sie uns gerne eine Ersatzteilanfrage stellen.

Hier finden Sie alle Ersatzteile von Snapper 88577 - 25064S, 25" 6 HP Rear Engine Rider Series 4 der Zeichnungsgruppe Smooth Clutch Assembly:
Artikel 1 - 20 von 36


Artikel 1 - 20 von 36