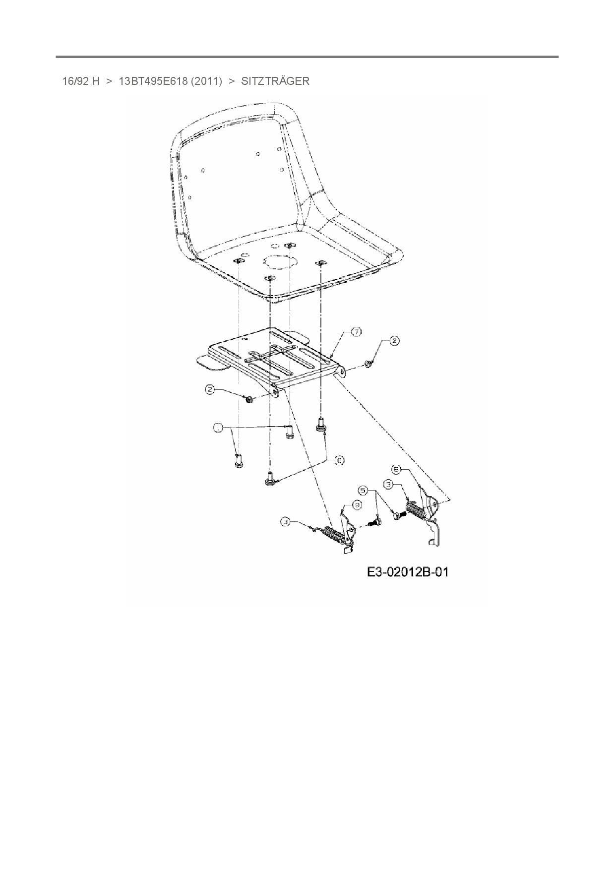
Sitzträger

Zeichnung für Rasor Rasentraktor 16/92 H mit der Geräte-Artikelnr. 13BT495E618 ab Baujahr 2011:

Zeichnung Sitzträger

Die Ersatzteil-Zeichnung für Rasentraktor Rasor 16/92 H als Download:
Download Ersatzteil-Zeichnung Rasor 16/92 H Zeichnung Sitzträger (PDF-Format)
Download Ersatzteil-Zeichnung Rasor 16/92 H Zeichnung Sitzträger (JPG-Format)

Sollten Sie Fragen zu einem Ersatzteil haben, können Sie uns gerne eine E-Mail (mit einem Foto vom Typenschild Ihres Gerätes) schreiben oder eine Ersatzteilanfrage stellen.

Ersatzteile für Rasentraktor Rasor 16/92 H aus der Zeichnung Sitzträger:
Artikel 1 - 8 von 8

5,88 € *
Lieferzeit: 2 - 10 Werktage
5,92 € *
Lieferzeit: 2 - 10 Werktage
13,48 € *
Lieferzeit: 2 - 10 Werktage
8,88 € *
Lieferzeit: 2 - 10 Werktage
5,88 € *
Lieferzeit: 2 - 10 Werktage
49,76 € *
Lieferzeit: 2 - 10 Werktage
10,88 € *
Lieferzeit: 2 - 10 Werktage
10,91 € *
Lieferzeit: 2 - 10 Werktage

Artikel 1 - 8 von 8