Schwingenmähwerk Artikel 3646111, Mähantrieb | 3646 111 < Saison 1999

Ersatzteile für Agria # Geräteträger # agria 3600 # Art-Nr 3600001 | 3600 Anbaugeräte # Zubehör # Schwingenmähwerk Artikel 3646111, Mähantrieb | 3646 111 < Saison 1999

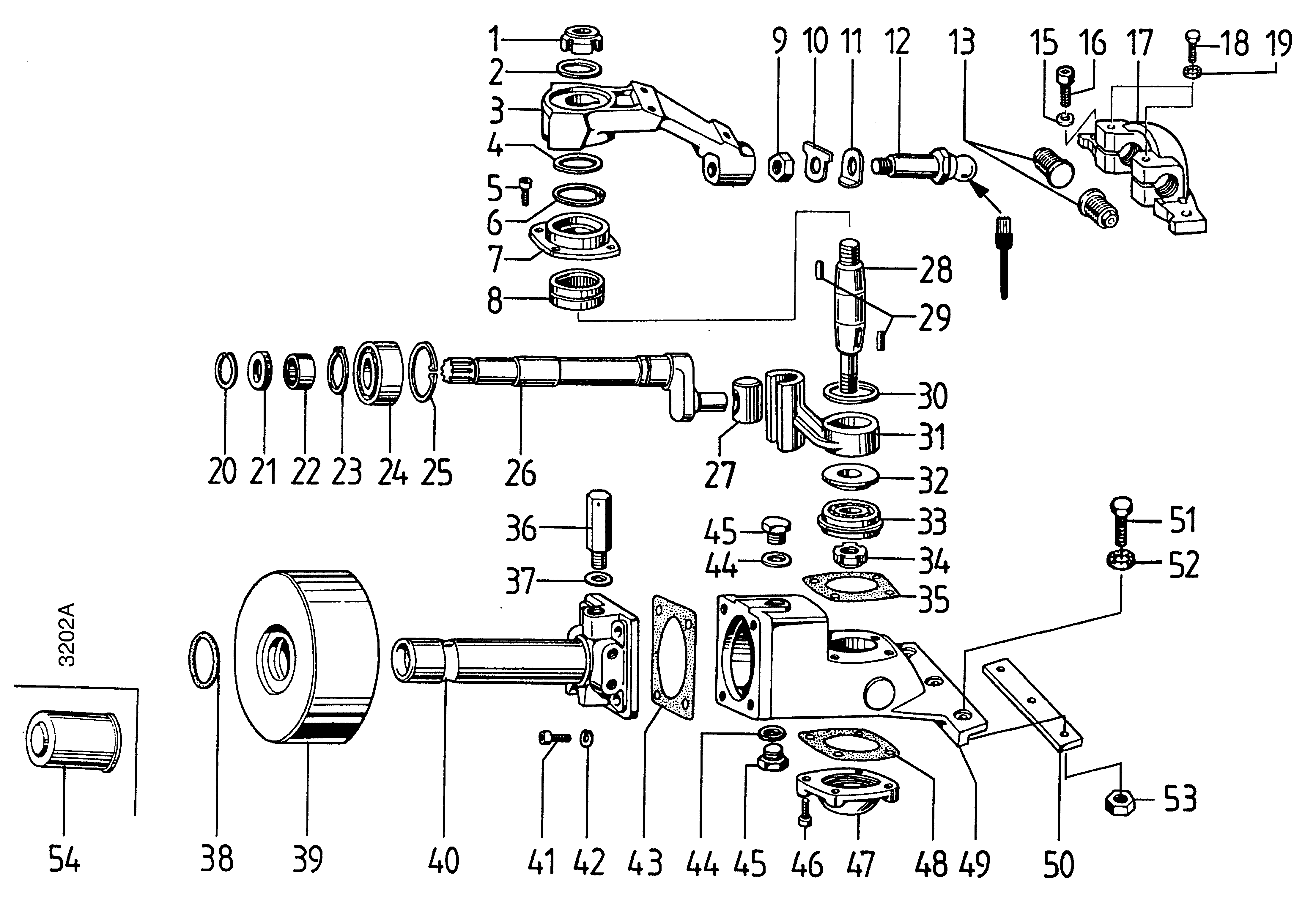
Zeichnung

Sollten Sie Fragen zu einem Ersatzteil für Agria Geräteträger haben, können Sie uns gerne eine E-Mail (mit einem Foto vom Typenschild Ihres Gerätes) schreiben oder eine Ersatzteilanfrage stellen.

Folgende Ersatzteile für Agria # Geräteträger # agria 3600 # Art-Nr 3600001 | 3600 Anbaugeräte # Zubehör # Schwingenmähwerk Artikel 3646111, Mähantrieb | 3646 111 < Saison 1999 können Sie hier bestellen:
Artikel 1 - 20 von 48


Artikel 1 - 20 von 48