Schneidwerkzeug Aufhebesatz (2)

Zeichnungen von Stiga Aufsitzmäher ESTATE BASIC mit Geräte Nr. 13-2570-13 ab Baujahr 2008

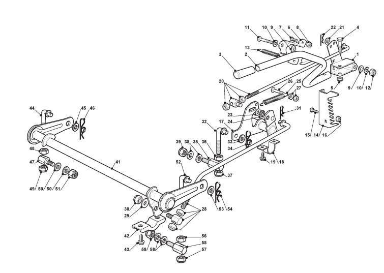
Zeichnung


Beachten Sie bitte, dass die Gerätebezeichnung Stiga Aufsitzmäher ESTATE BASIC, das Baujahr ab 2008 und die Geräte Nr. 13-2570-13 lauten muss, denn nur so kann sichergestellt werden, dass das Ersatzteil passt.
Nur die hier aufgeführten Ersatzteile sind für dieses Gerät verfügbar. Alle anderen Ersatzteile sind nicht mehr lieferbar.
Ersatzteile von Stiga Aufsitzmäher ESTATE BASIC (Geräte-ID 13-2570-13) ab 2008:
Artikel 1 - 10 von 10


Artikel 1 - 10 von 10