Schneidwerkzeug Aufhebesatz (2)

Zeichnungen von Stiga Aufsitzmäher ESTATE PRESIDENT mit Geräte Nr. 2T2655781/PF9 ab Baujahr 2009

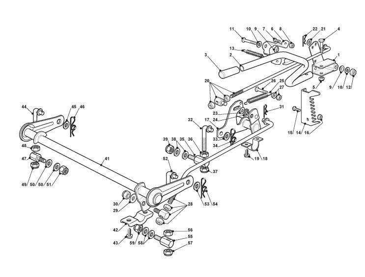
Zeichnung


Beachten Sie bitte, dass die Gerätebezeichnung Stiga Aufsitzmäher ESTATE PRESIDENT, das Baujahr ab 2009 und die Geräte Nr. 2T2655781/PF9 lauten muss, denn nur so kann sichergestellt werden, dass das Ersatzteil passt.
Nur die hier aufgeführten Ersatzteile sind für dieses Gerät verfügbar. Alle anderen Ersatzteile sind nicht mehr lieferbar.
Ersatzteile von Stiga Aufsitzmäher ESTATE PRESIDENT (Geräte-ID 2T2655781/PF9) ab 2009:
Artikel 1 - 10 von 10


Artikel 1 - 10 von 10