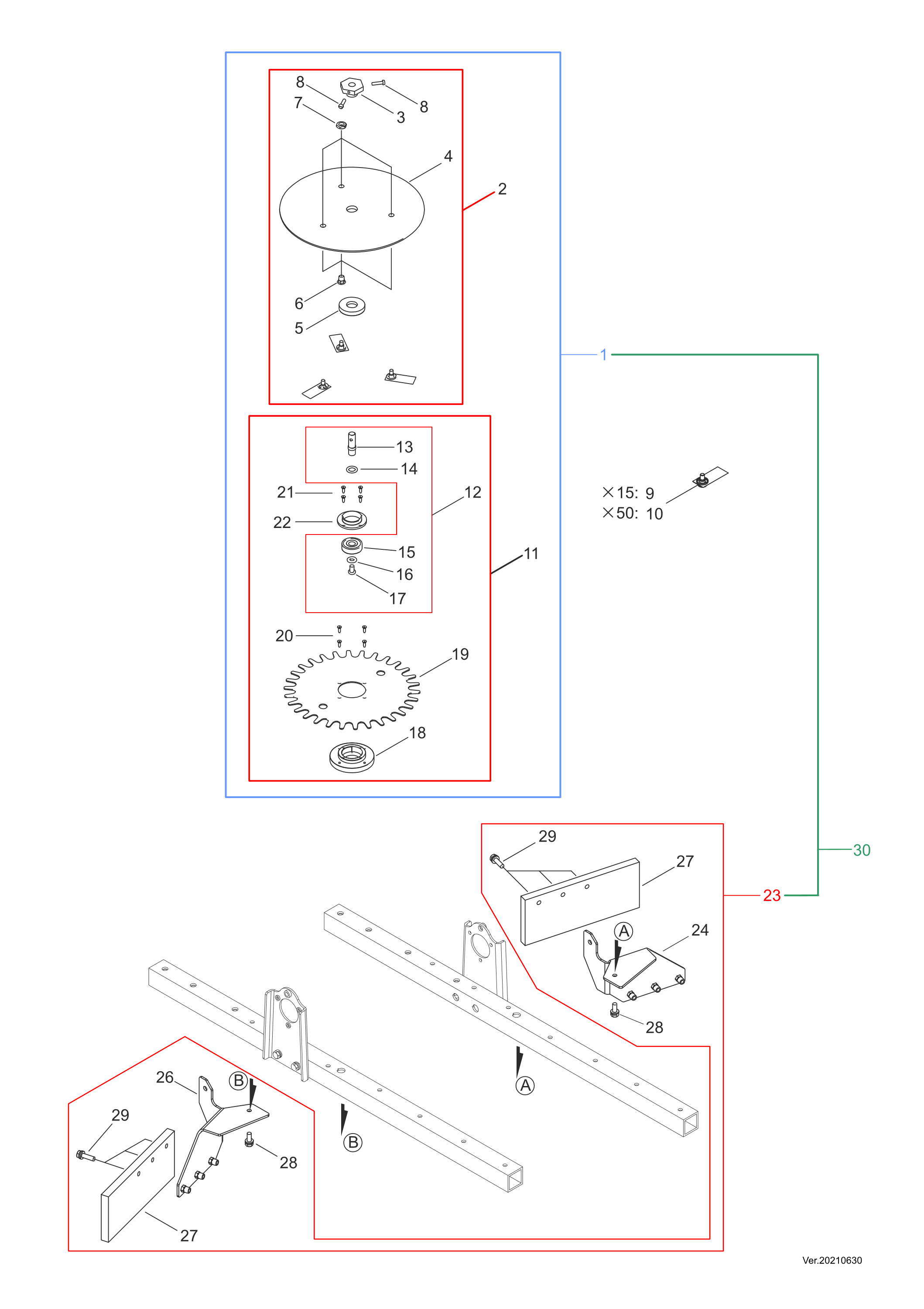
Schneidkopf Gofversion

Zeichnung von Echo Mähroboter Belrobotics Connected Line BM-2050 der Zeichnungsgruppe Schneidkopf Gofversion:

Klicken Sie auf diese Zeichnung

Sollten Sie Fragen zu einem Ersatzteil haben, können Sie uns gerne eine Ersatzteilanfrage stellen.

Hier finden Sie alle Ersatzteile von Echo Mähroboter Belrobotics Connected Line BM-2050 der Zeichnungsgruppe Schneidkopf Gofversion:
Artikel 1 - 28 von 28


Artikel 1 - 28 von 28