Riemenantrieb

Zeichnung von ECHO-Motorgeräte Rasentraktoren A-Serie A-415B - 2016-06 A-415B ab Juni 2016 Riemenantrieb:

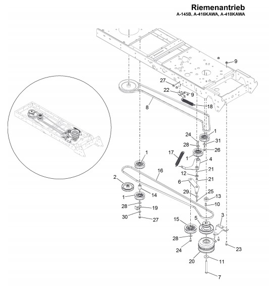
Klicken Sie auf diese Zeichnung

Sollten Sie Fragen zu einem Ersatzteil haben, können Sie uns gerne eine Ersatzteilanfrage stellen.

Hier finden Sie alle Ersatzteile von ECHO-Motorgeräte Rasentraktoren A-Serie A-415B - 2016-06 A-415B ab Juni 2016:
Artikel 1 - 20 von 26


Artikel 1 - 20 von 26