Regulierung

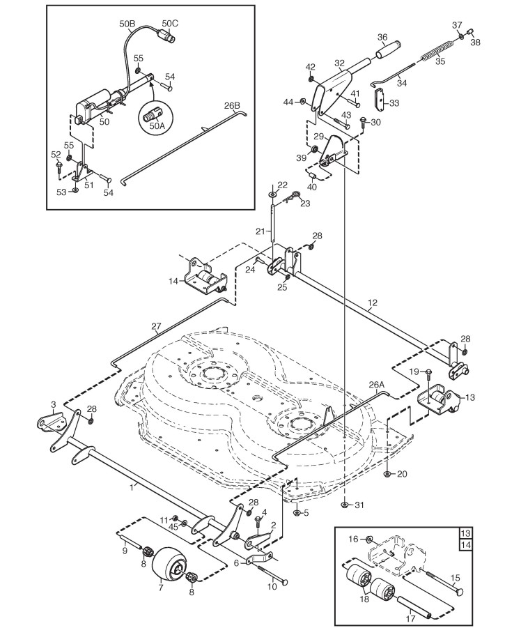
Zeichnung von Castelgarden Park Mähdecks COUPE 95H BÍAL MASTER (2WD) (13-2964-24) ab 2010:

Klicken Sie auf diese Zeichnung

Sollten Sie Fragen zu einem Ersatzteil haben, können Sie uns gerne eine Ersatzteilanfrage stellen.

Hier finden Sie alle Ersatzteile von Castelgarden Park Mähdecks COUPE 95H BÍAL MASTER (2WD) (13-2964-24) ab 2010 aus der Zeichnung Regulierung:
Artikel 1 - 20 von 45


Artikel 1 - 20 von 45