Regulierung (1)

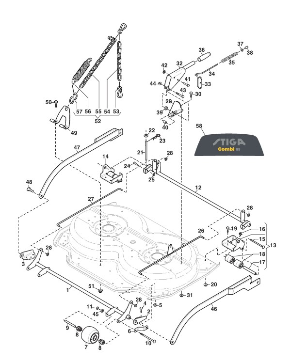
Zeichnungen von Stiga Frontaufsitzmäher Villa / Ready Mähdeck mit Geräte Nr. 2D2709511/S16 ab Baujahr 2017

Zeichnung


Beachten Sie bitte, dass die Gerätebezeichnung Stiga Frontaufsitzmäher Villa / Ready Mähdeck, das Baujahr ab 2017 und die Geräte Nr. 2D2709511/S16 lauten muss, denn nur so kann sichergestellt werden, dass das Ersatzteil passt.
Nur die hier aufgeführten Ersatzteile sind für dieses Gerät verfügbar. Alle anderen Ersatzteile sind nicht mehr lieferbar.
Ersatzteile von Stiga Frontaufsitzmäher Deck Villa 95 Combi (Geräte ID 2D2709511/S16) Baujahr ab Bj 2017:
Artikel 1 - 20 von 48


Artikel 1 - 20 von 48