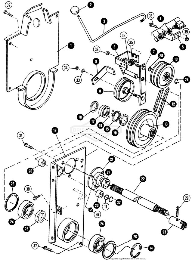
Rear Power Take-Off

Zeichnung Snapper 80828 - 1855, 18 HP Twin Cyl Hydro Drive Garden Tractor (MF) aus der Zeichnungsgruppe Rear Power Take-Off:

Zeichnung

Sollten Sie Fragen zu einem Ersatzteil haben, können Sie uns gerne eine Ersatzteilanfrage stellen.

Hier finden Sie alle Ersatzteile von Snapper 80828 - 1855, 18 HP Twin Cyl Hydro Drive Garden Tractor (MF) der Zeichnungsgruppe Rear Power Take-Off:
Artikel 1 - 16 von 16


Artikel 1 - 16 von 16