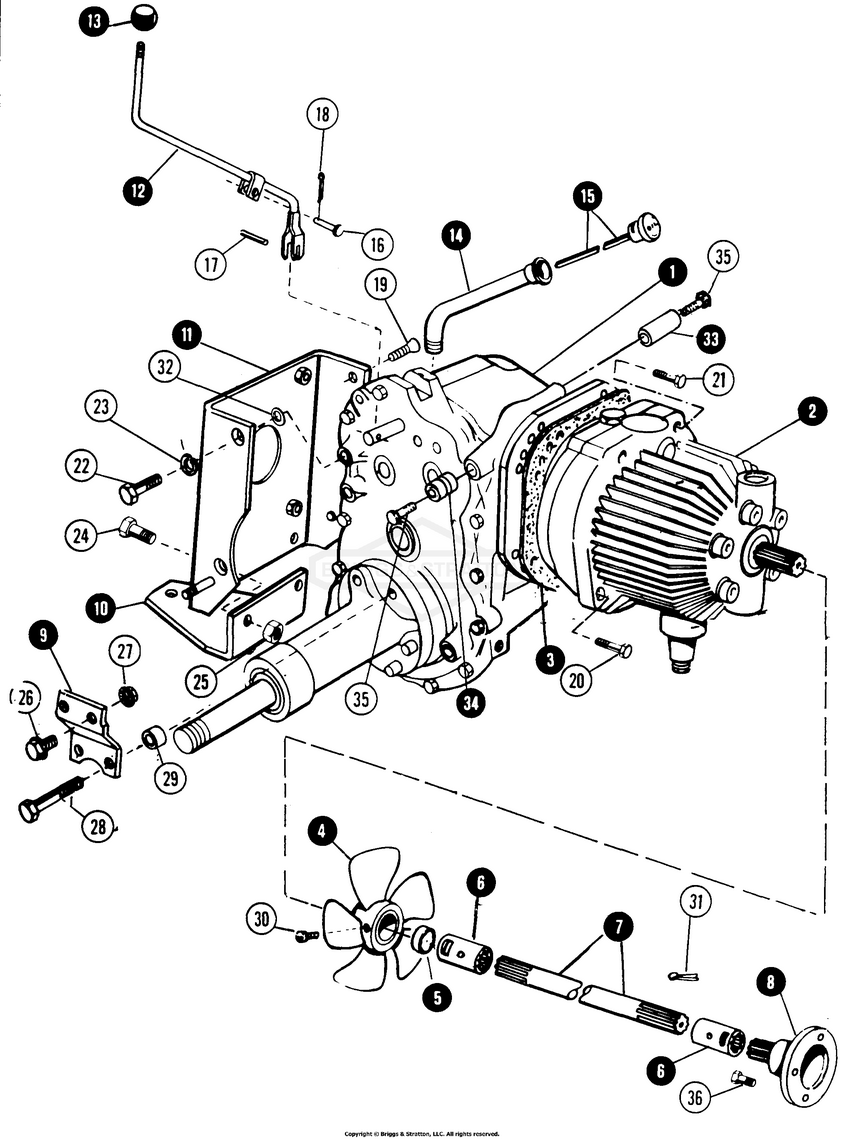
Rear Axle & Drive Shaft

Zeichnung Snapper 80424 - 1650, 16 HP Hydro Drive Garden Tractor (MF) aus der Zeichnungsgruppe Rear Axle & Drive Shaft:

Zeichnung

Sollten Sie Fragen zu einem Ersatzteil haben, können Sie uns gerne eine Ersatzteilanfrage stellen.

Hier finden Sie alle Ersatzteile von Snapper 80424 - 1650, 16 HP Hydro Drive Garden Tractor (MF) der Zeichnungsgruppe Rear Axle & Drive Shaft:
Artikel 1 - 10 von 10


Artikel 1 - 10 von 10