Rasenmäher, Benzin 648 | 9200 648 > Saison 2002

Ersatzteile für Agria # Rasenmäher # agria 9200 # Art-Nr 9200899 | agria 9200 # Basisgerät # Rasenmäher, Benzin 648 | 9200 648 > Saison 2002

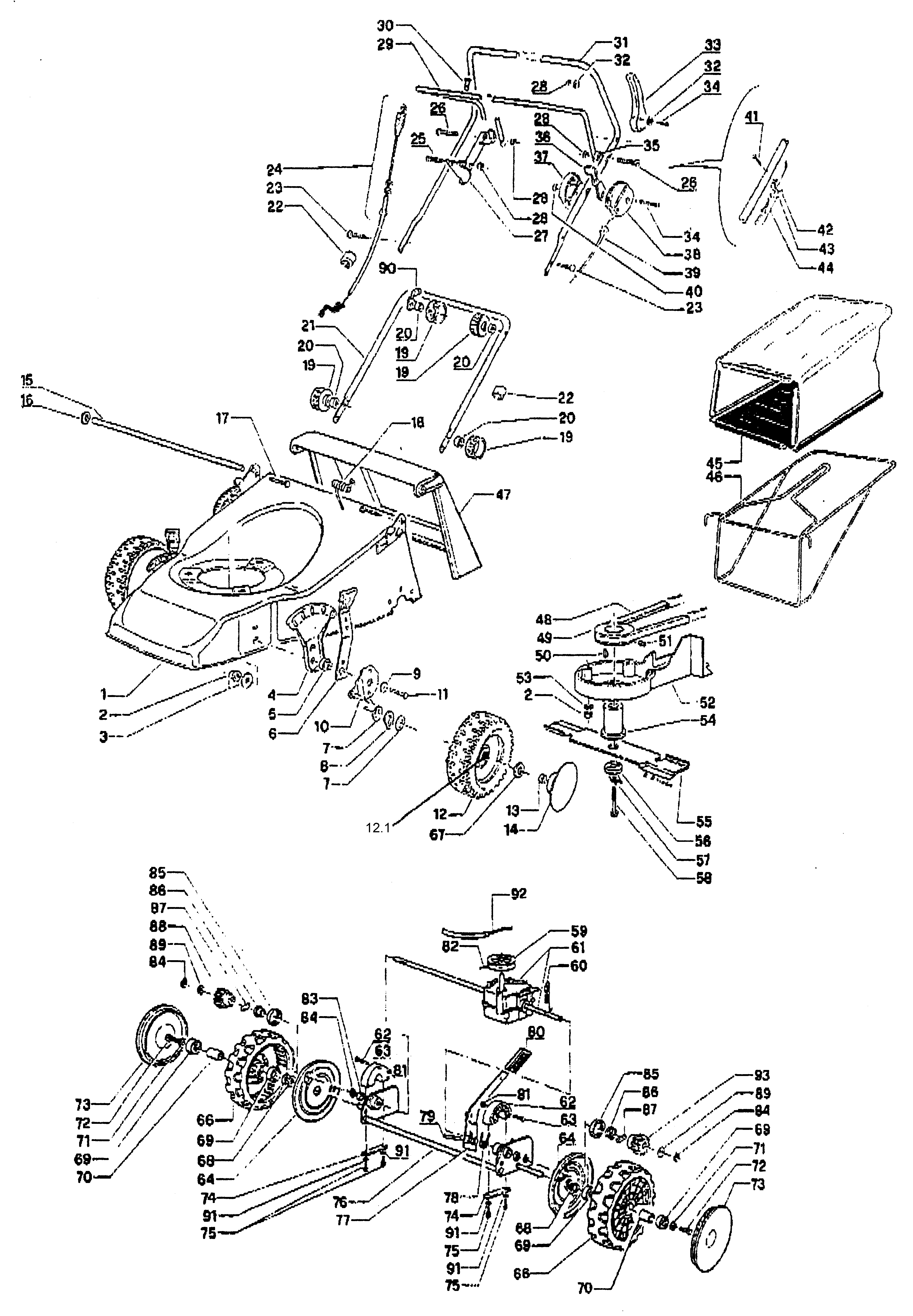
Zeichnung

Sollten Sie Fragen zu einem Ersatzteil für Agria Rasenmäher haben, können Sie uns gerne eine E-Mail (mit einem Foto vom Typenschild Ihres Gerätes) schreiben oder eine Ersatzteilanfrage stellen.

Folgende Ersatzteile für Agria # Rasenmäher # agria 9200 # Art-Nr 9200899 | agria 9200 # Basisgerät # Rasenmäher, Benzin 648 | 9200 648 > Saison 2002 können Sie hier bestellen:
Artikel 1 - 20 von 36


Artikel 1 - 20 von 36