Rasenmäher, Benzin 648 | 5200 648, 9200 648 < Saison 1998 (1)

Ersatzteile für Agria # Rasenmäher # agria 9200 # Art-Nr 9200648 | agria 9200 Rasenmäher agria 648 # Basisgerät # Rasenmäher, Benzin 648 | 5200 648, 9200 648 < Saison 1998 (1)

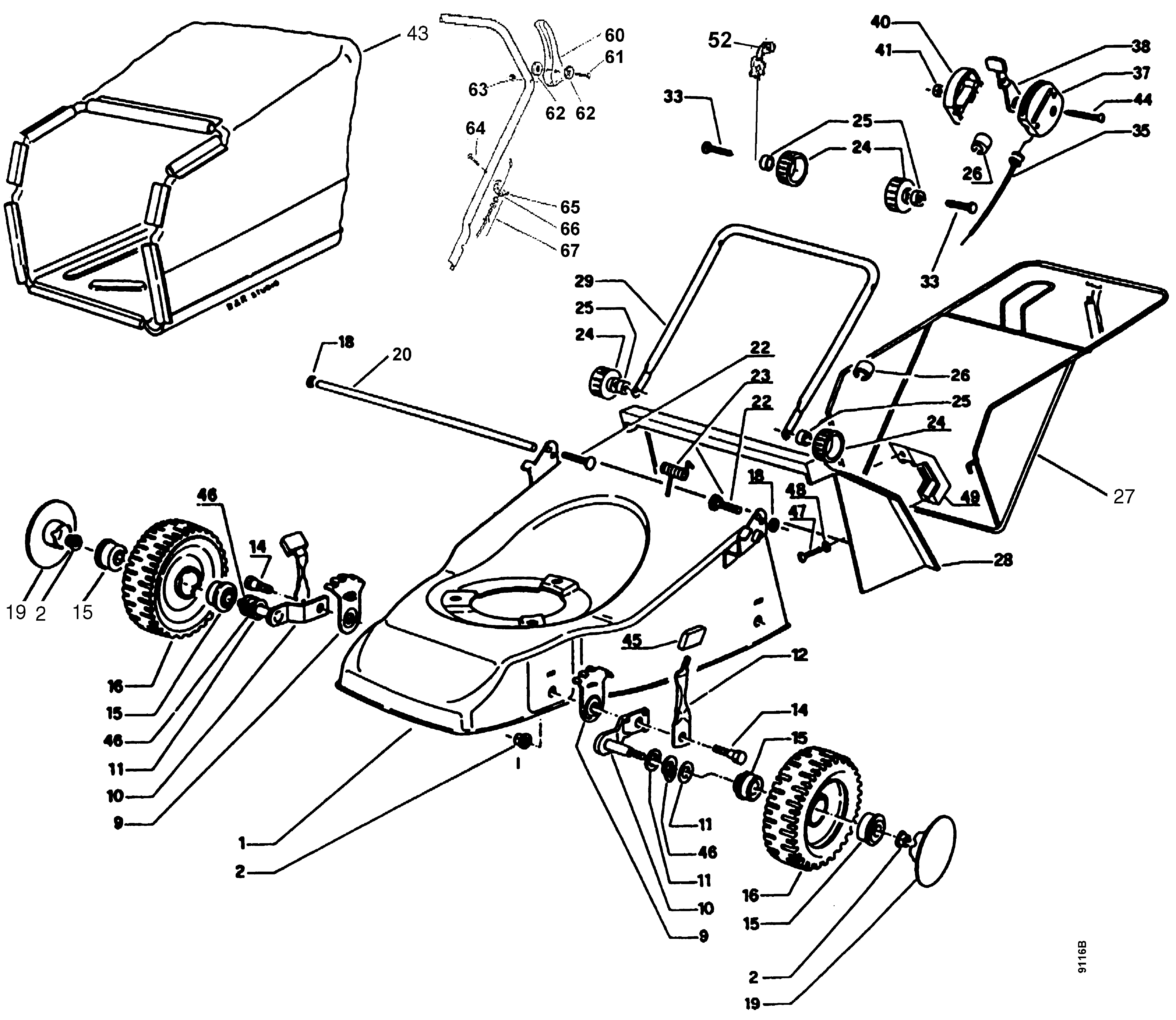
Zeichnung

Sollten Sie Fragen zu einem Ersatzteil für Agria Rasenmäher haben, können Sie uns gerne eine E-Mail (mit einem Foto vom Typenschild Ihres Gerätes) schreiben oder eine Ersatzteilanfrage stellen.

Folgende Ersatzteile für Agria # Rasenmäher # agria 9200 # Art-Nr 9200648 | agria 9200 Rasenmäher agria 648 # Basisgerät # Rasenmäher, Benzin 648 | 5200 648, 9200 648 < Saison 1998 (1) können Sie hier bestellen:
Artikel 1 - 14 von 14


Artikel 1 - 14 von 14