Rasenmäher, Benzin 53 cm 9200 851 / 861 | 9200 851, 9200 861 > Saison 2000

Ersatzteile für Agria # Rasenmäher # agria 9200 # Art-Nr 9200861 | agria 9200 BENZINMÄHER 861 53CM 4T RADAN # Basisgerät # Rasenmäher, Benzin 53 cm 9200 851 / 861 | 9200 851, 9200 861 > Saison 2000

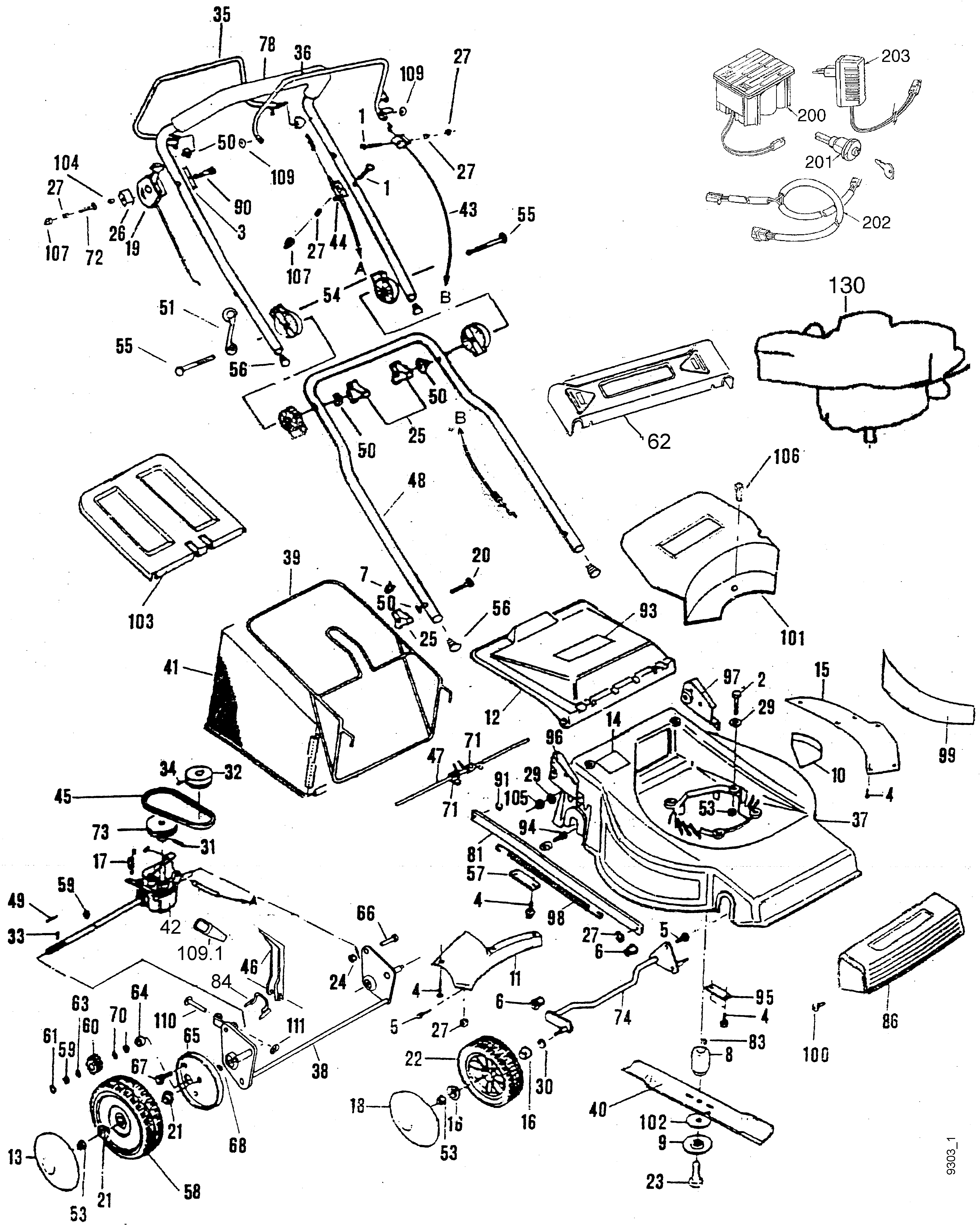
Zeichnung

Sollten Sie Fragen zu einem Ersatzteil für Agria Rasenmäher haben, können Sie uns gerne eine E-Mail (mit einem Foto vom Typenschild Ihres Gerätes) schreiben oder eine Ersatzteilanfrage stellen.

Folgende Ersatzteile für Agria # Rasenmäher # agria 9200 # Art-Nr 9200861 | agria 9200 BENZINMÄHER 861 53CM 4T RADAN # Basisgerät # Rasenmäher, Benzin 53 cm 9200 851 / 861 | 9200 851, 9200 861 > Saison 2000 können Sie hier bestellen:
Artikel 1 - 69 von 69


Artikel 1 - 69 von 69