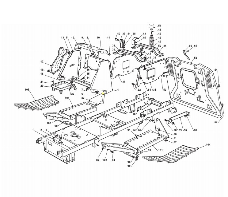
Rahmensatz High End

Zeichnungen von Alpina Aufsitzmäher ONE 92 YH mit Geräte Nr. 2T2642536/09 ab Baujahr 2009

Zeichnung


Beachten Sie bitte, dass die Gerätebezeichnung Alpina Aufsitzmäher ONE 92 YH, das Baujahr ab 2009 und die Geräte Nr. 2T2642536/09 lauten muss, denn nur so kann sichergestellt werden, dass das Ersatzteil passt.
Nur die hier aufgeführten Ersatzteile sind für dieses Gerät verfügbar. Alle anderen Ersatzteile sind nicht mehr lieferbar.
Ersatzteile von Alpina Aufsitzmäher ONE 92 YH (Geräte Nr 2T2642536/09) Baujahr ab 2009:
Artikel 1 - 56 von 56


Artikel 1 - 56 von 56