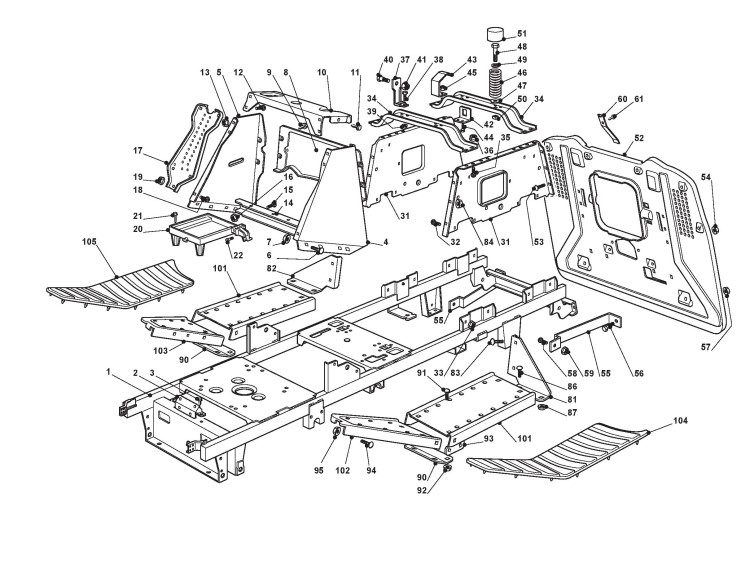
Rahmensatz High End (2)

Zeichnungen von Stiga Aufsitzmäher ESTATE SENATOR mit Geräte Nr. 299954381/ST7 ab Baujahr 2007

Zeichnung


Beachten Sie bitte, dass die Gerätebezeichnung Stiga Aufsitzmäher ESTATE SENATOR, das Baujahr ab 2007 und die Geräte Nr. 299954381/ST7 lauten muss, denn nur so kann sichergestellt werden, dass das Ersatzteil passt.
Nur die hier aufgeführten Ersatzteile sind für dieses Gerät verfügbar. Alle anderen Ersatzteile sind nicht mehr lieferbar.
Ersatzteile von Stiga Aufsitzmäher ESTATE SENATOR (Geräte-ID 299954381/ST7) ab 2007:
Artikel 1 - 20 von 20


Artikel 1 - 20 von 20