Rahmensatz (2)

Zeichnungen von Stiga Aufsitzmäher ESTATE 6102 HWG mit Geräte Nr. 2T0980281/STX ab Baujahr 2020

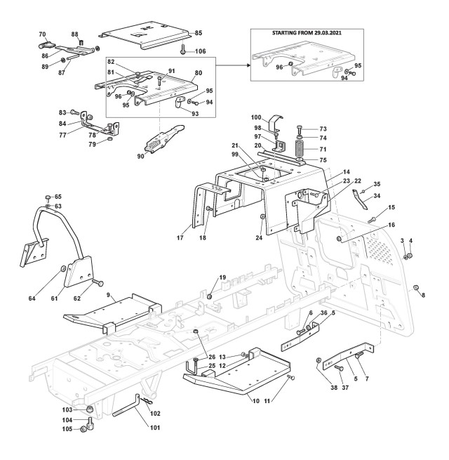
Zeichnung


Beachten Sie bitte, dass die Gerätebezeichnung Stiga Aufsitzmäher ESTATE 6102 HWG, das Baujahr ab 2020 und die Geräte Nr. 2T0980281/STX lauten muss, denn nur so kann sichergestellt werden, dass das Ersatzteil passt.
Nur die hier aufgeführten Ersatzteile sind für dieses Gerät verfügbar. Alle anderen Ersatzteile sind nicht mehr lieferbar.
Ersatzteile von Stiga Aufsitzmäher ESTATE 6102 HWG (Geräte-ID 2T0980281/STX) ab 2020:
Artikel 1 - 22 von 22


Artikel 1 - 22 von 22