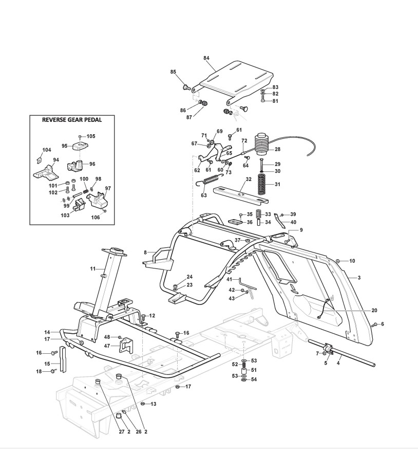
Rahmensatz (1)

Zeichnungen von Alpina Aufsitzmäher AT2 72 HA mit Geräte Nr. 2T0210404/A20 ab Baujahr 2020

Zeichnung


Beachten Sie bitte, dass die Gerätebezeichnung Alpina Aufsitzmäher AT2 72 HA, das Baujahr ab 2020 und die Geräte Nr. 2T0210404/A20 lauten muss, denn nur so kann sichergestellt werden, dass das Ersatzteil passt.
Nur die hier aufgeführten Ersatzteile sind für dieses Gerät verfügbar. Alle anderen Ersatzteile sind nicht mehr lieferbar.
Ersatzteile von Alpina Aufsitzmäher AT2 72 HA (Geräte Nr 2T0210404/A20) Baujahr ab 2020:
Artikel 1 - 20 von 48


Artikel 1 - 20 von 48