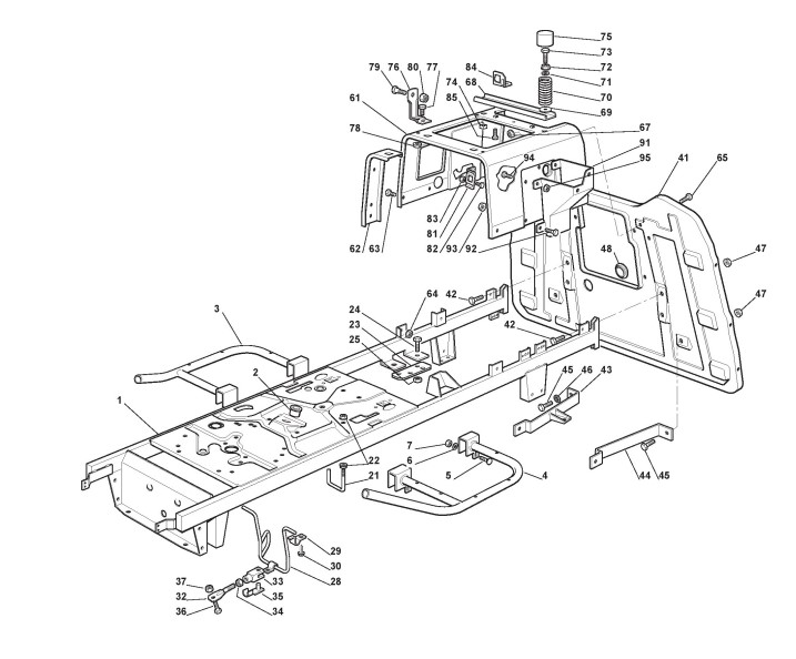
Rahmensatz (1)

Zeichnungen von Stiga Aufsitzmäher ESTATE PRESIDENT mit Geräte Nr. 299961431/VI ab Baujahr 2005

Zeichnung


Beachten Sie bitte, dass die Gerätebezeichnung Stiga Aufsitzmäher ESTATE PRESIDENT, das Baujahr ab 2005 und die Geräte Nr. 299961431/VI lauten muss, denn nur so kann sichergestellt werden, dass das Ersatzteil passt.
Nur die hier aufgeführten Ersatzteile sind für dieses Gerät verfügbar. Alle anderen Ersatzteile sind nicht mehr lieferbar.
Ersatzteile von Stiga Aufsitzmäher ESTATE PRESIDENT (Geräte-ID 299961431/VI) ab 2005:
Artikel 1 - 20 von 35


Artikel 1 - 20 von 35