Rahmen, Stoßstange

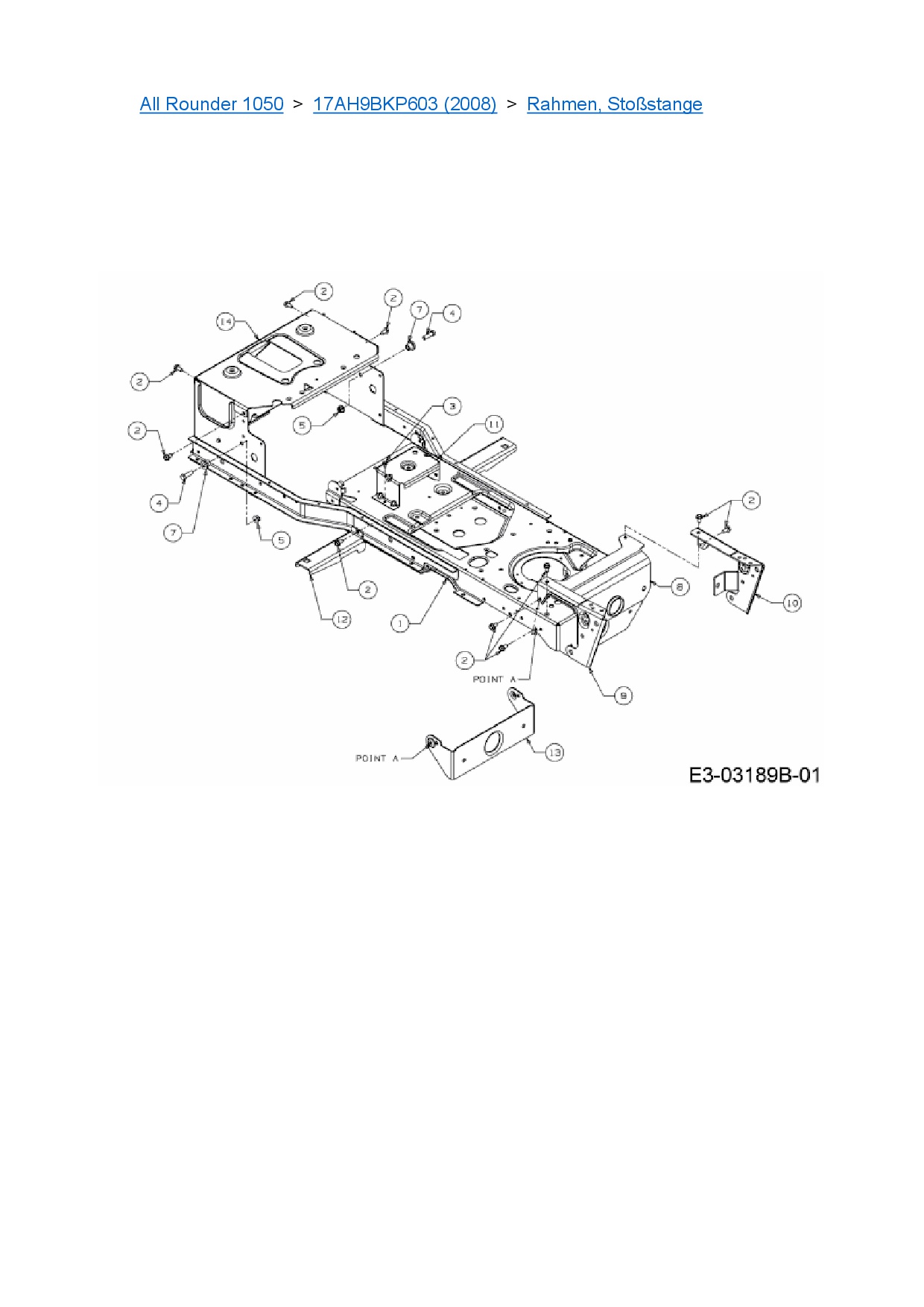
Zeichnung für Cub Cadet Zero Turn All Rounder 1050 mit der Geräte-Artikelnr. 17AH9BKP603 ab Baujahr 2008:

Zeichnung Rahmen, Stoßstange

Die Ersatzteil-Zeichnung für Zero Turn Cub Cadet All Rounder 1050 als Download:
Download Ersatzteil-Zeichnung Cub Cadet All Rounder 1050 Zeichnung Rahmen, Stoßstange (PDF-Format)
Download Ersatzteil-Zeichnung Cub Cadet All Rounder 1050 Zeichnung Rahmen, Stoßstange (JPG-Format)

Sollten Sie Fragen zu einem Ersatzteil haben, können Sie uns gerne eine E-Mail (mit einem Foto vom Typenschild Ihres Gerätes) schreiben oder eine Ersatzteilanfrage stellen.

Ersatzteile für Zero Turn Cub Cadet All Rounder 1050 aus der Zeichnung Rahmen, Stoßstange:
Artikel 1 - 7 von 7


Artikel 1 - 7 von 7