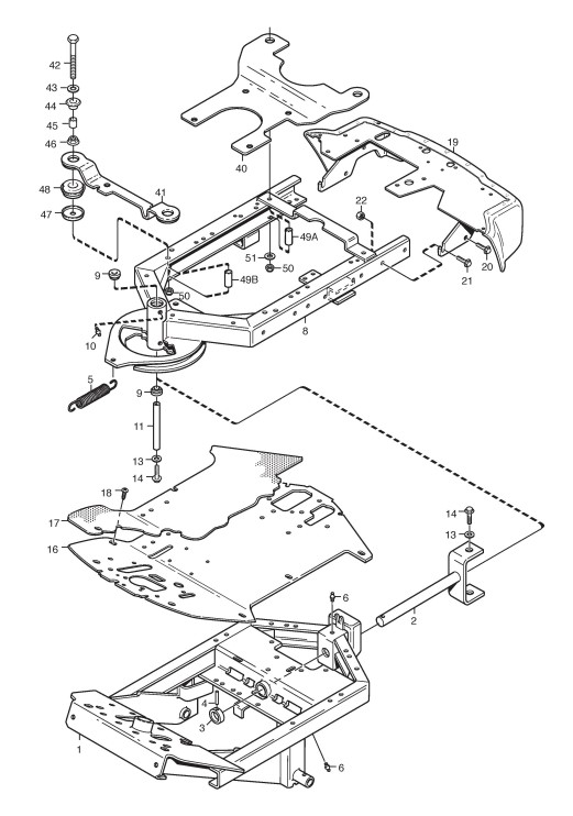
Rahmen (Diesel Motor)

Zeichnungen von Stiga Frontaufsitzmäher Park Pro mit Geräte Nr. 13-6231-15 ab Baujahr 2004

Zeichnung


Beachten Sie bitte, dass die Gerätebezeichnung Stiga Frontaufsitzmäher Park Pro, das Baujahr ab 2004 und die Geräte Nr. 13-6231-15 lauten muss, denn nur so kann sichergestellt werden, dass das Ersatzteil passt.
Nur die hier aufgeführten Ersatzteile sind für dieses Gerät verfügbar. Alle anderen Ersatzteile sind nicht mehr lieferbar.
Ersatzteile von Stiga Frontaufsitzmäher PARK PRO DIESEL (Geräte ID 13-6231-15) Baujahr ab Bj 2004:
Artikel 1 - 20 von 27


Artikel 1 - 20 von 27