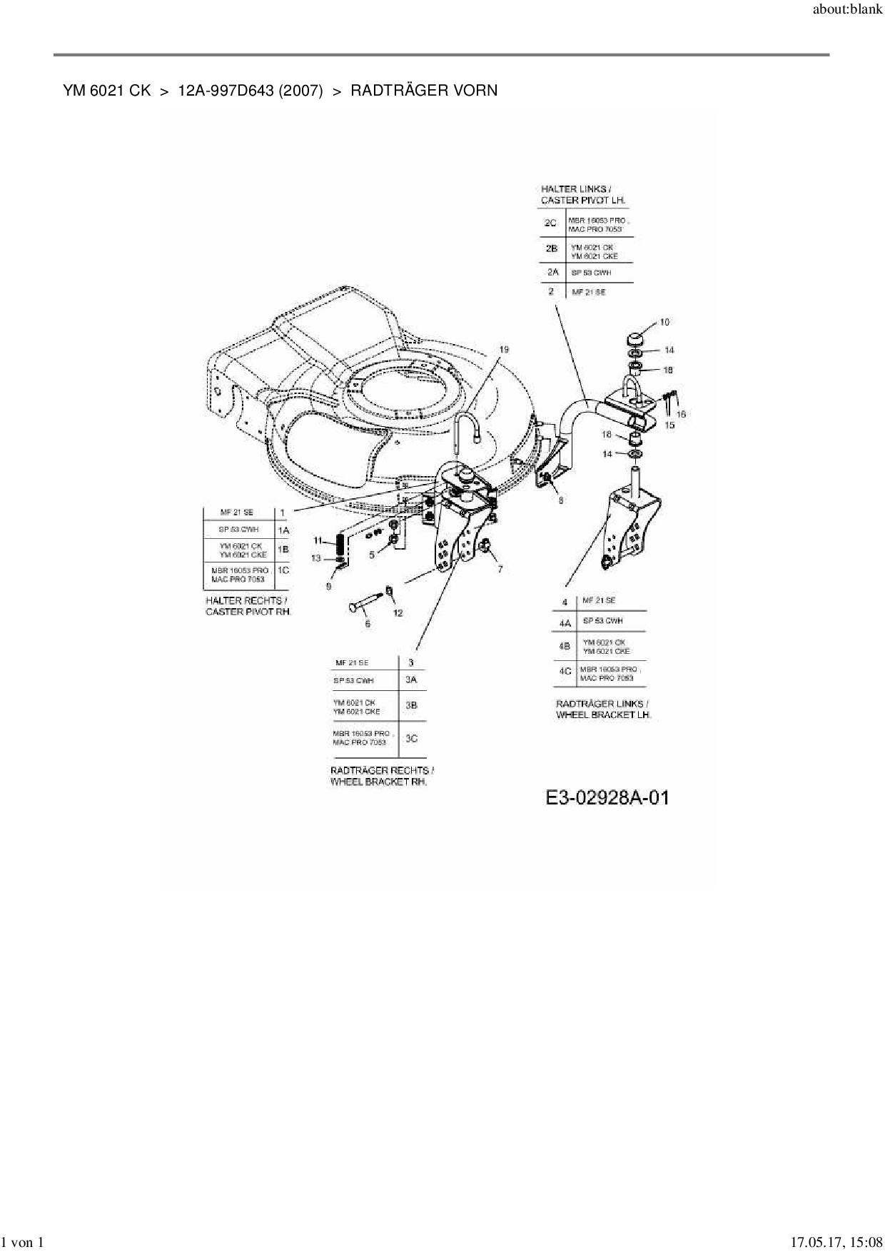
Radträger vorn

Zeichnung für Yard-Man Motormäher mit Antrieb YM 6021 CK mit der Geräte-Artikelnr. 12A-997D643 ab Baujahr 2007:

Zeichnung Radträger vorn

Die Ersatzteil-Zeichnung für Motormäher mit Antrieb Yard-Man YM 6021 CK als Download:
Download Ersatzteil-Zeichnung Yard-Man YM 6021 CK Zeichnung Radträger vorn (PDF-Format)
Download Ersatzteil-Zeichnung Yard-Man YM 6021 CK Zeichnung Radträger vorn (JPG-Format)

Sollten Sie Fragen zu einem Ersatzteil haben, können Sie uns gerne eine E-Mail (mit einem Foto vom Typenschild Ihres Gerätes) schreiben oder eine Ersatzteilanfrage stellen.

Ersatzteile für Motormäher mit Antrieb Yard-Man YM 6021 CK aus der Zeichnung Radträger vorn:
Artikel 1 - 20 von 20

111,86 € *
Lieferzeit: 2 - 10 Werktage
87,88 € *
Lieferzeit: 2 - 10 Werktage
82,88 € *
Lieferzeit: 2 - 10 Werktage
98,93 € *
Lieferzeit: 2 - 10 Werktage
14,52 € *
Lieferzeit: 2 - 10 Werktage
12,16 € *
Lieferzeit: 2 - 10 Werktage
17,46 € *
Lieferzeit: 2 - 10 Werktage

Artikel 1 - 20 von 20