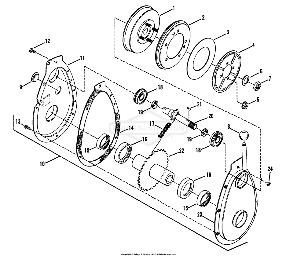
Primary Chain Case

Zeichnung Snapper 80174 - YT16D414B, 41" 16 HP Disc Drive Yard Tractor Series 4 aus der Zeichnungsgruppe Primary Chain Case:

Zeichnung

Sollten Sie Fragen zu einem Ersatzteil haben, können Sie uns gerne eine Ersatzteilanfrage stellen.

Hier finden Sie alle Ersatzteile von Snapper 80174 - YT16D414B, 41" 16 HP Disc Drive Yard Tractor Series 4 der Zeichnungsgruppe Primary Chain Case:
Artikel 1 - 20 von 21


Artikel 1 - 20 von 21