Portalachse verstellbar 5939 011 | > 2002

Ersatzteile für Agria # Geräteträger # agria 5900 # Art-Nr 5900121 | agria 5900 Bison # Radgetriebe # Portalachse verstellbar 5939 011 | > 2002

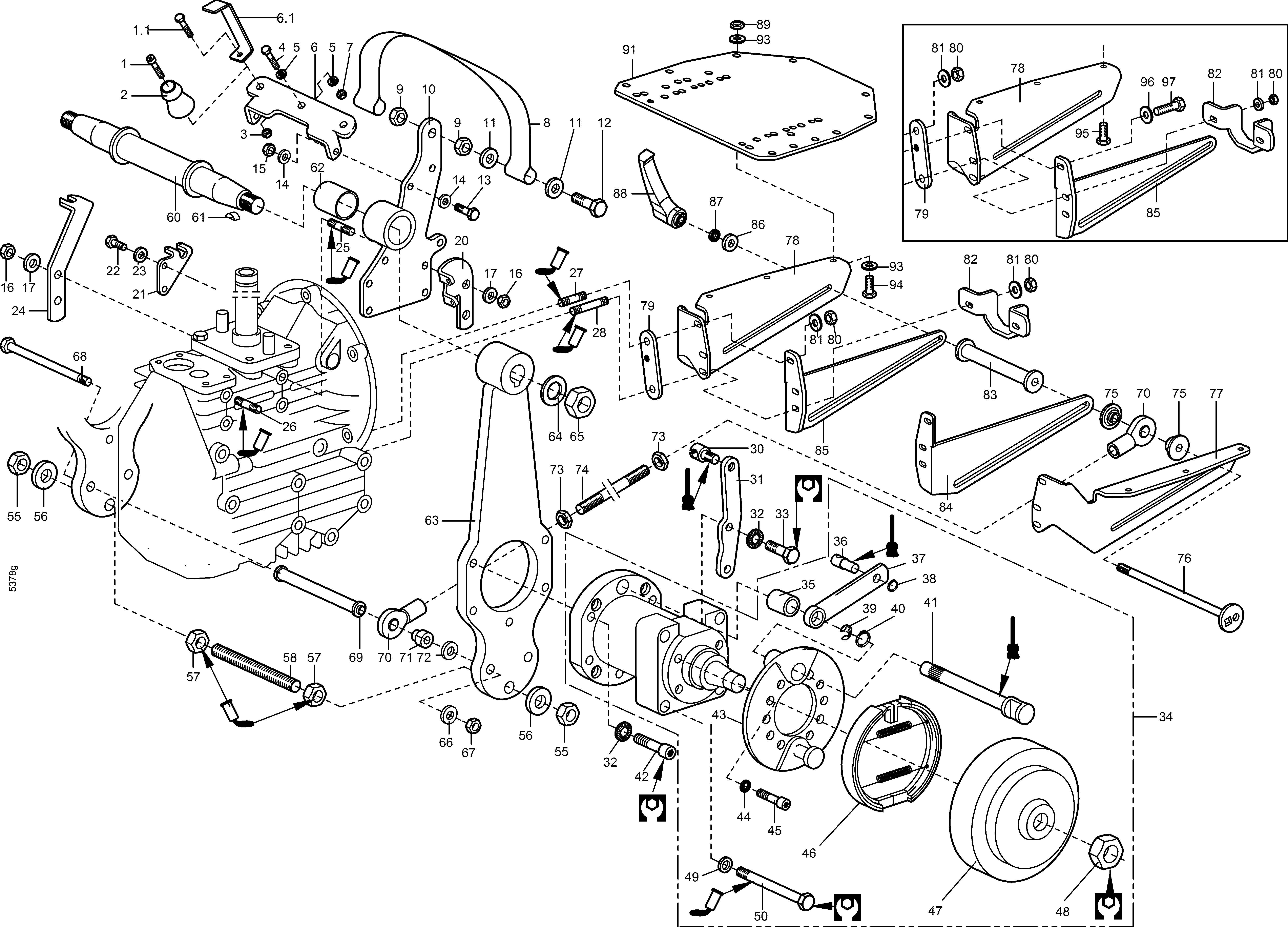
Zeichnung

Sollten Sie Fragen zu einem Ersatzteil für Agria Geräteträger haben, können Sie uns gerne eine E-Mail (mit einem Foto vom Typenschild Ihres Gerätes) schreiben oder eine Ersatzteilanfrage stellen.

Folgende Ersatzteile für Agria # Geräteträger # agria 5900 # Art-Nr 5900121 | agria 5900 Bison # Radgetriebe # Portalachse verstellbar 5939 011 | > 2002 können Sie hier bestellen:
Artikel 1 - 80 von 97


Artikel 1 - 80 von 97