Pedale

Zeichnung für Cub Cadet Zero Turn All Rounder 1050 mit der Geräte-Artikelnr. 17AI9BKP603 ab Baujahr 2012:

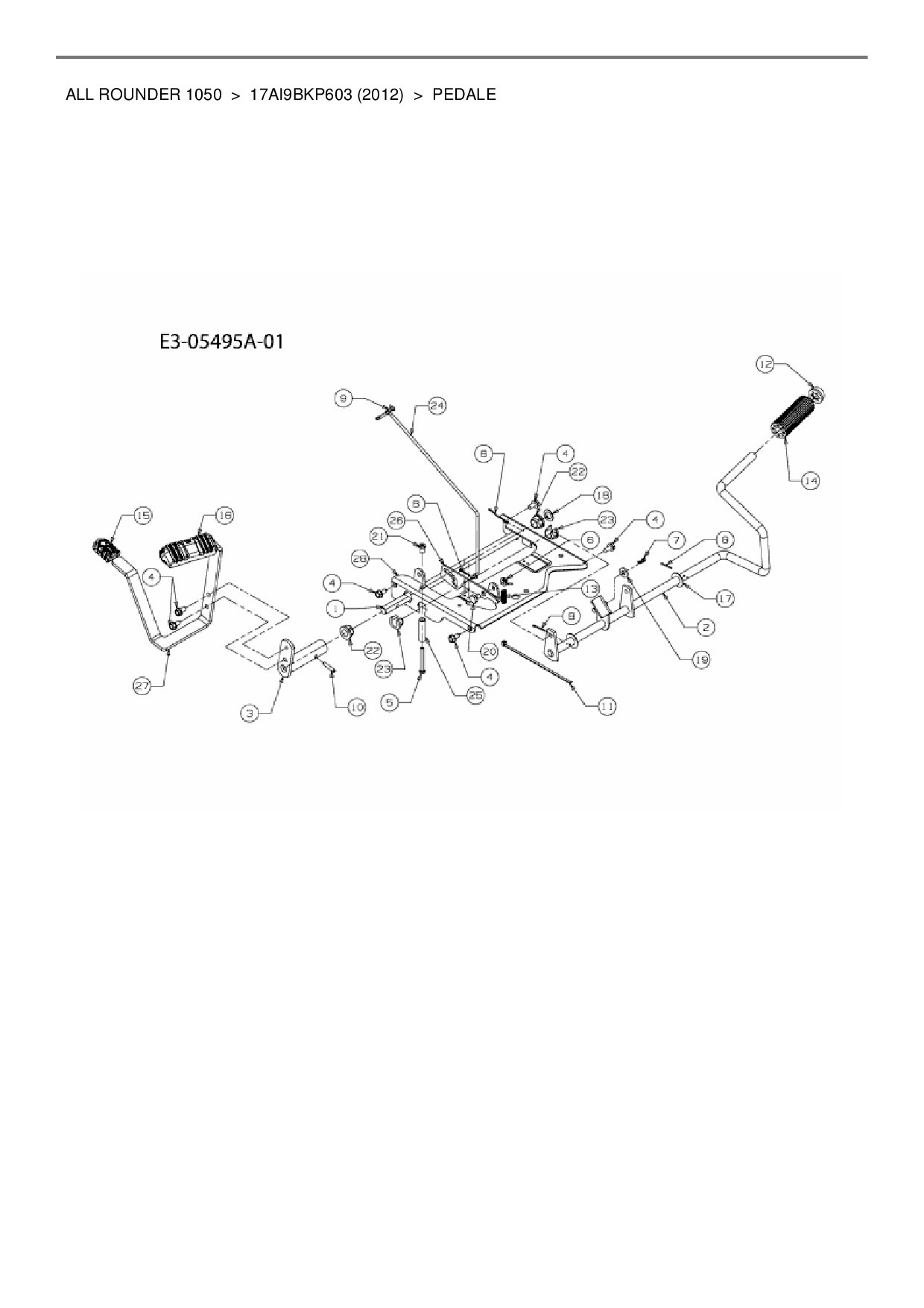
Zeichnung Pedale

Die Ersatzteil-Zeichnung für Zero Turn Cub Cadet All Rounder 1050 als Download:
Download Ersatzteil-Zeichnung Cub Cadet All Rounder 1050 Zeichnung Pedale (PDF-Format)
Download Ersatzteil-Zeichnung Cub Cadet All Rounder 1050 Zeichnung Pedale (JPG-Format)

Sollten Sie Fragen zu einem Ersatzteil haben, können Sie uns gerne eine E-Mail (mit einem Foto vom Typenschild Ihres Gerätes) schreiben oder eine Ersatzteilanfrage stellen.

Ersatzteile für Zero Turn Cub Cadet All Rounder 1050 aus der Zeichnung Pedale:
Artikel 1 - 13 von 13

6,84 € *
Lieferzeit: 2 - 10 Werktage
4,65 € *
Lieferzeit: 2 - 10 Werktage
9,76 € *
Lieferzeit: 2 - 10 Werktage
8,57 € *
Lieferzeit: 2 - 10 Werktage
21,54 € *
Lieferzeit: 2 - 10 Werktage
22,92 € *
Lieferzeit: 2 - 10 Werktage
5,73 € *
Lieferzeit: 2 - 10 Werktage

Artikel 1 - 13 von 13