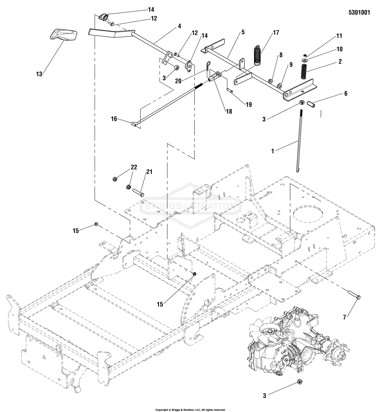
Parking Brake Group

Zeichnung Snapper 5900682 - 355ZB2450, 50" ZTR 355Z Series - Zeichnungsgruppe Parking Brake Group:

Zeichnung

Sollten Sie Fragen zu einem Ersatzteil haben, können Sie uns gerne eine Ersatzteilanfrage stellen.

Hier finden Sie alle Ersatzteile von Snapper 5900682 - 355ZB2450, 50" ZTR 355Z Series der Zeichnungsgruppe Parking Brake Group:
Artikel 1 - 20 von 23


Artikel 1 - 20 von 23