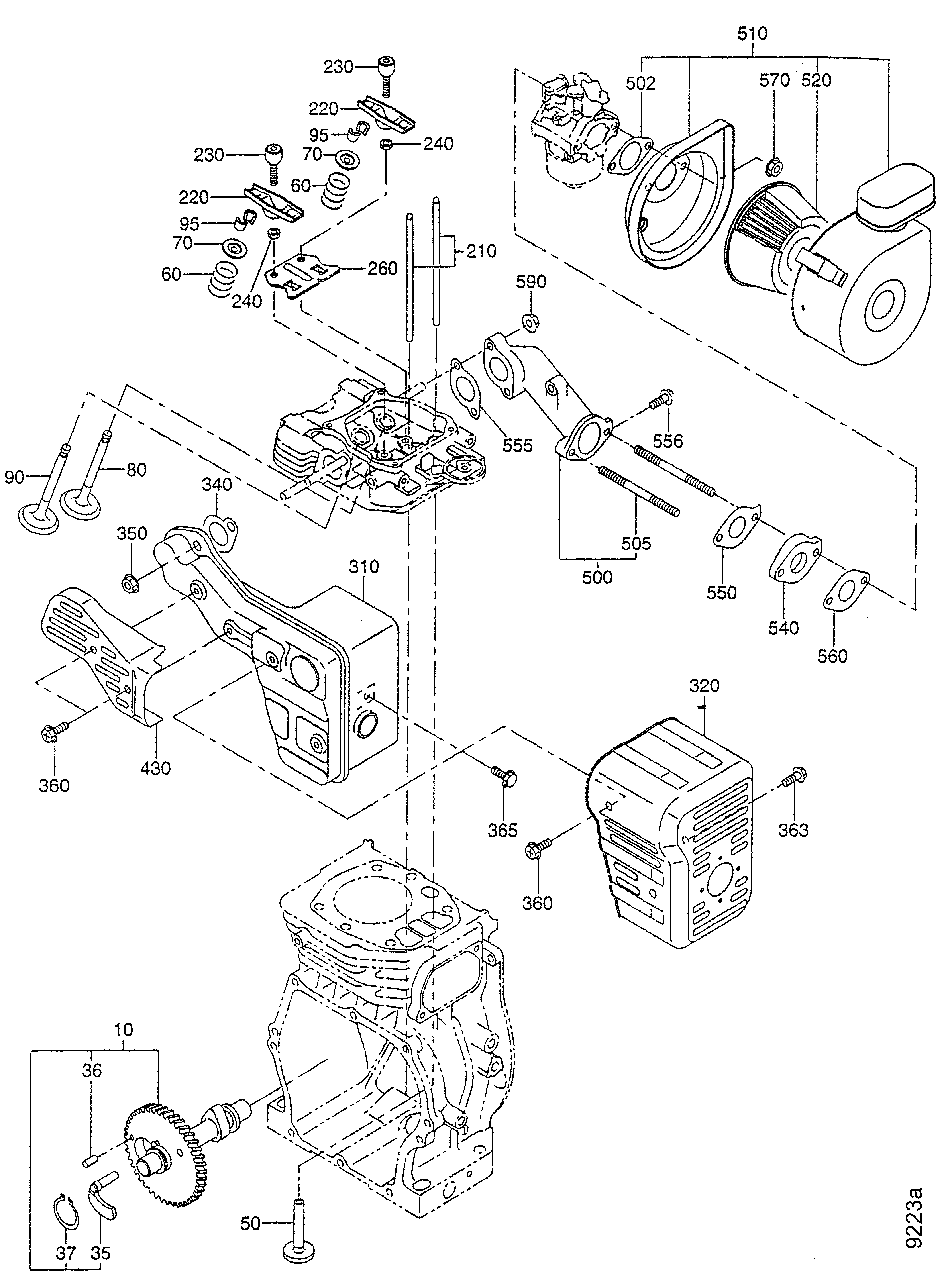
Nockenwelle, Auspuff, Luftfilter | Robin EH17, Robin EH17-2

Ersatzteile für Agria # Geräteträger # agria 3600 # Art-Nr 3600931 | agria 3600 BM Unihamster comfort # Motor Einzelteile # Nockenwelle, Auspuff, Luftfilter | Robin EH17, Robin EH17-2

Zeichnung

Sollten Sie Fragen zu einem Ersatzteil für Agria Geräteträger haben, können Sie uns gerne eine E-Mail (mit einem Foto vom Typenschild Ihres Gerätes) schreiben oder eine Ersatzteilanfrage stellen.

Folgende Ersatzteile für Agria # Geräteträger # agria 3600 # Art-Nr 3600931 | agria 3600 BM Unihamster comfort # Motor Einzelteile # Nockenwelle, Auspuff, Luftfilter | Robin EH17, Robin EH17-2 können Sie hier bestellen:
Artikel 1 - 20 von 24


Artikel 1 - 20 von 24