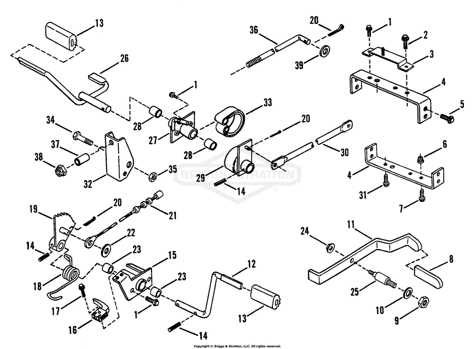
Neutral Brake Controls

Zeichnung Snapper 80240 - YT180H414K, 41" 18 HP Hydro Drive Yard Tractor Series 4 aus der Zeichnungsgruppe Neutral Brake Controls:

Zeichnung

Sollten Sie Fragen zu einem Ersatzteil haben, können Sie uns gerne eine Ersatzteilanfrage stellen.

Hier finden Sie alle Ersatzteile von Snapper 80240 - YT180H414K, 41" 18 HP Hydro Drive Yard Tractor Series 4 der Zeichnungsgruppe Neutral Brake Controls:
Artikel 1 - 20 von 27


Artikel 1 - 20 von 27