Mulch Kit

Ersatzteile für Tigara Rasentraktoren TG 22/107 H mit der Gerätenr. 13HT79KG649 (2016)

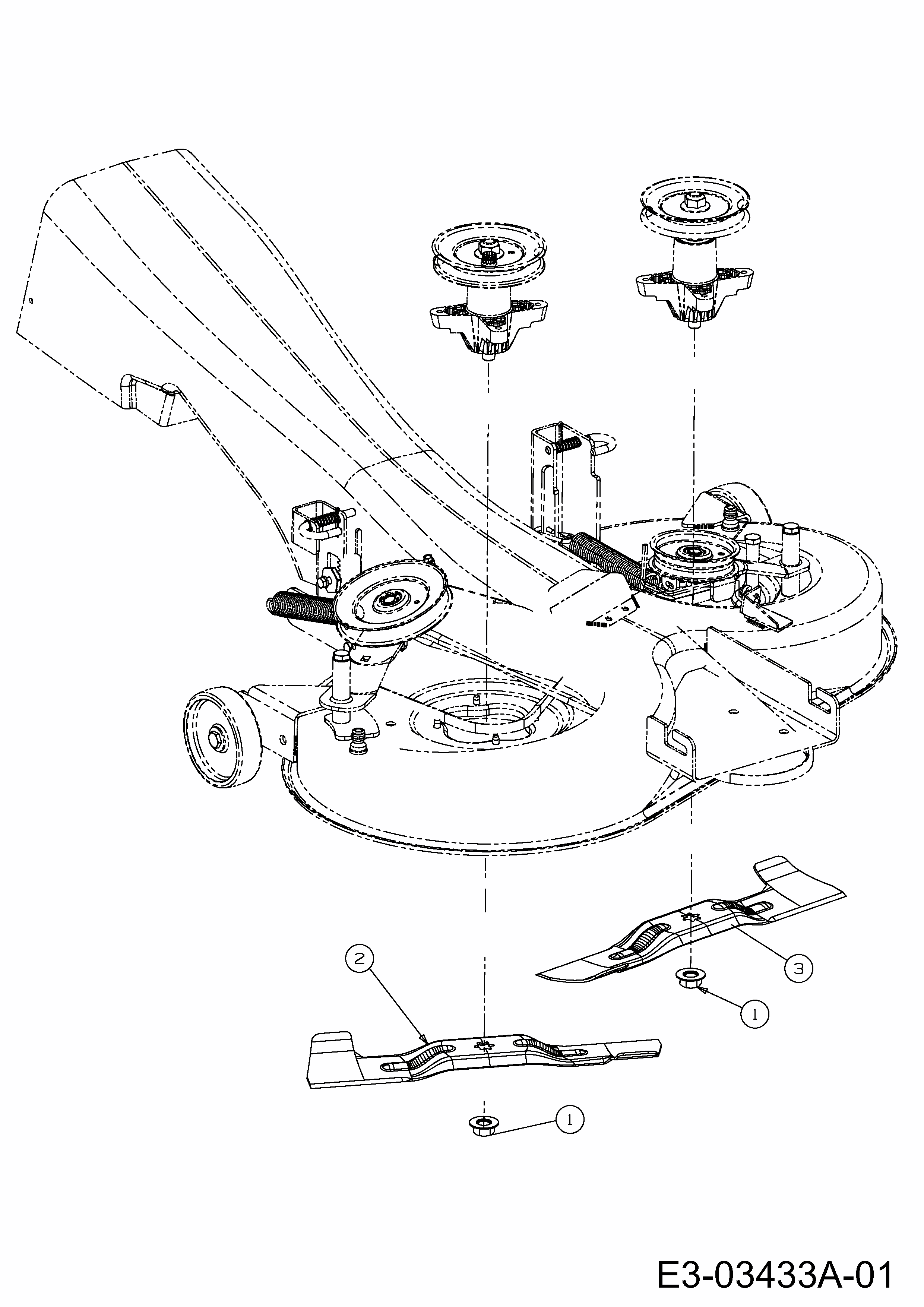
Zeichnung

Sollten Sie Fragen zu einem Ersatzteil vom Tigara Rasentraktoren TG 22/107 H haben, können Sie uns gerne eine E-Mail (mit einem Foto vom Typenschild Ihres Gerätes) schreiben oder eine Ersatzteilanfrage stellen.

Folgende Ersatzteile für Tigara Rasentraktoren TG 22/107 H für Gerätenr. 13HT79KG649 (2016) der Zeichnungsgruppe Mulch Kit können Sie hier bestellen:
Artikel 1 - 6 von 6

24,59 € *
Lieferzeit: 2 - 10 Werktage
18,65 € *
Lieferzeit: 2 - 10 Werktage
4,72 € *
Lieferzeit: 2 - 10 Werktage
42,94 € *
Lieferzeit: 2 - 10 Werktage

Artikel 1 - 6 von 6