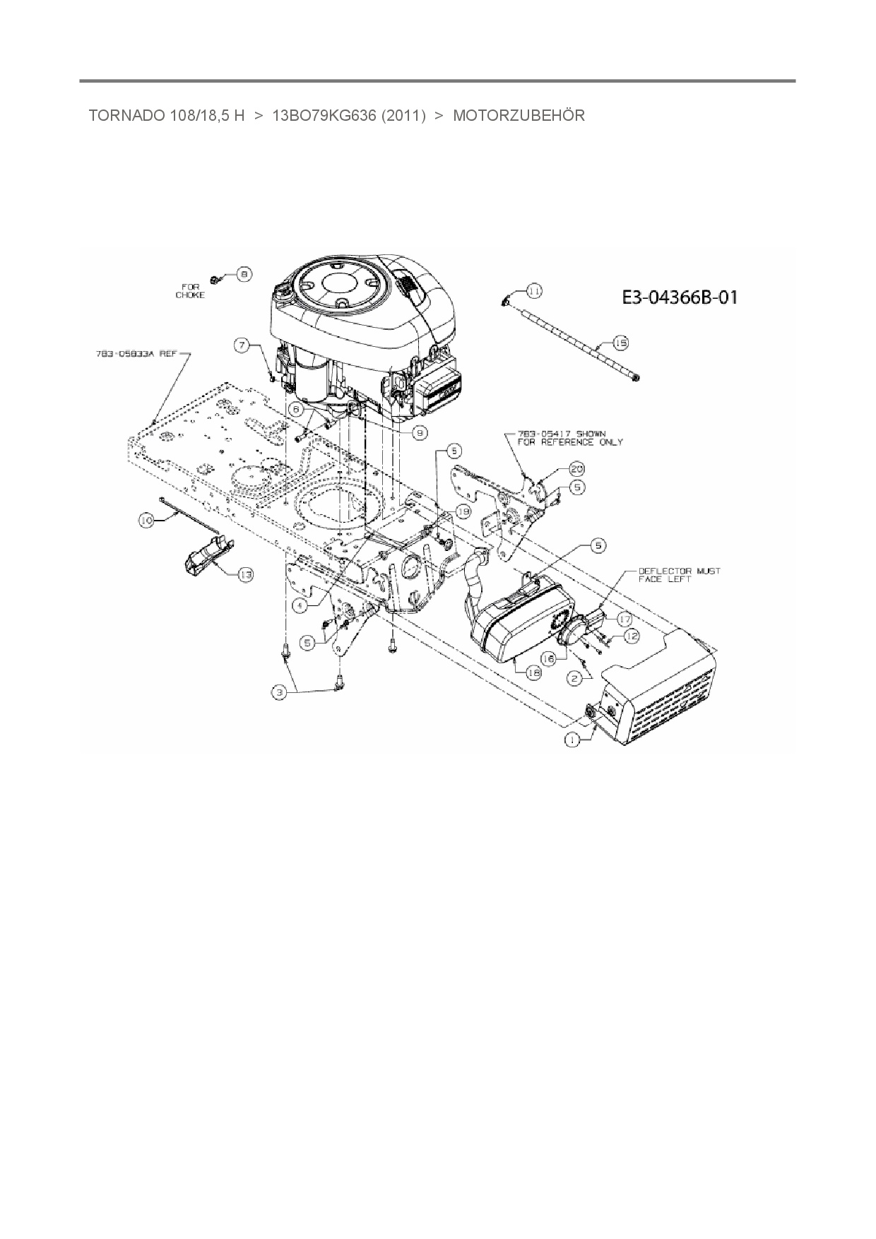
Motorzubehör

Zeichnung für Oleo-Mac Rasentraktor Tornado 108/18,5 H mit der Geräte-Artikelnr. 13BO79KG636 ab Baujahr 2011:

Zeichnung Motorzubehör

Die Ersatzteil-Zeichnung für Rasentraktor Oleo-Mac Tornado 108/18,5 H als Download:
Download Ersatzteil-Zeichnung Oleo-Mac Tornado 108/18,5 H Zeichnung Motorzubehör (PDF-Format)
Download Ersatzteil-Zeichnung Oleo-Mac Tornado 108/18,5 H Zeichnung Motorzubehör (JPG-Format)

Sollten Sie Fragen zu einem Ersatzteil haben, können Sie uns gerne eine E-Mail (mit einem Foto vom Typenschild Ihres Gerätes) schreiben oder eine Ersatzteilanfrage stellen.

Ersatzteile für Rasentraktor Oleo-Mac Tornado 108/18,5 H aus der Zeichnung Motorzubehör:
Artikel 1 - 16 von 16

14,18 € *
Lieferzeit: 2 - 10 Werktage
12,05 € *
Lieferzeit: 2 - 10 Werktage
14,27 € *
Lieferzeit: 2 - 10 Werktage
11,88 € *
Lieferzeit: 2 - 10 Werktage
123,50 € *
Lieferzeit: 2 - 10 Werktage

Artikel 1 - 16 von 16