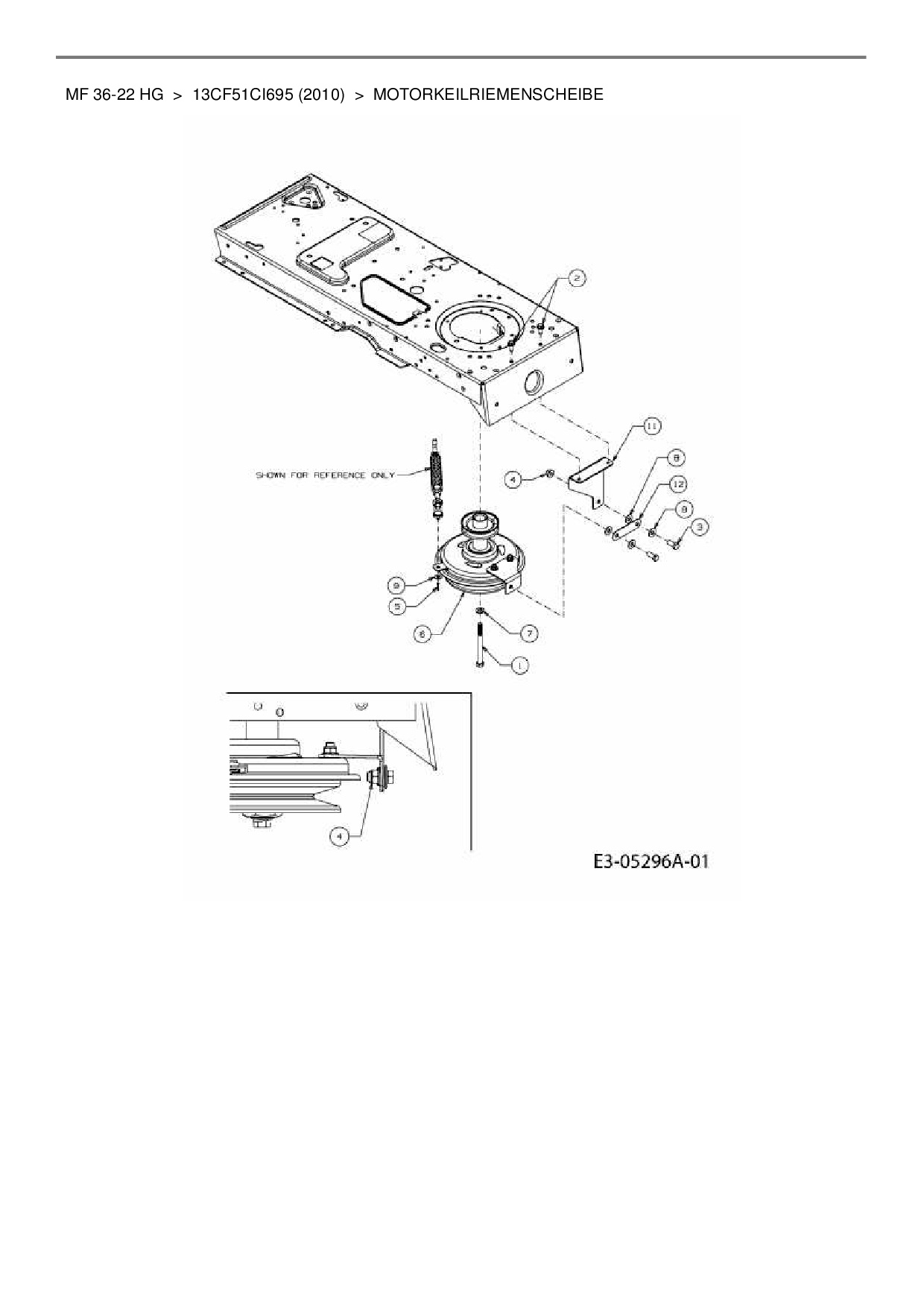
Motorkeilriemenscheibe

Zeichnung für Massey Ferguson Rasentraktor MF 36-22 HG mit der Geräte-Artikelnr. 13CF51CI695 ab Baujahr 2010:

Zeichnung Motorkeilriemenscheibe

Die Ersatzteil-Zeichnung für Rasentraktor Massey Ferguson MF 36-22 HG als Download:
Download Ersatzteil-Zeichnung Massey Ferguson MF 36-22 HG Zeichnung Motorkeilriemenscheibe (PDF-Format)
Download Ersatzteil-Zeichnung Massey Ferguson MF 36-22 HG Zeichnung Motorkeilriemenscheibe (JPG-Format)

Sollten Sie Fragen zu einem Ersatzteil haben, können Sie uns gerne eine E-Mail (mit einem Foto vom Typenschild Ihres Gerätes) schreiben oder eine Ersatzteilanfrage stellen.

Ersatzteile für Rasentraktor Massey Ferguson MF 36-22 HG aus der Zeichnung Motorkeilriemenscheibe:
Artikel 1 - 11 von 11

5,88 € *
Lieferzeit: 2 - 10 Werktage
397,83 € *
Lieferzeit: 2 - 10 Werktage
11,88 € *
Lieferzeit: 2 - 10 Werktage

Artikel 1 - 11 von 11