Motorhaube C-Style

Zeichnung für Cub Cadet Rasentraktor LX 42" KH mit der Geräte-Artikelnr. 13BPA1CS330 ab Baujahr 2016:

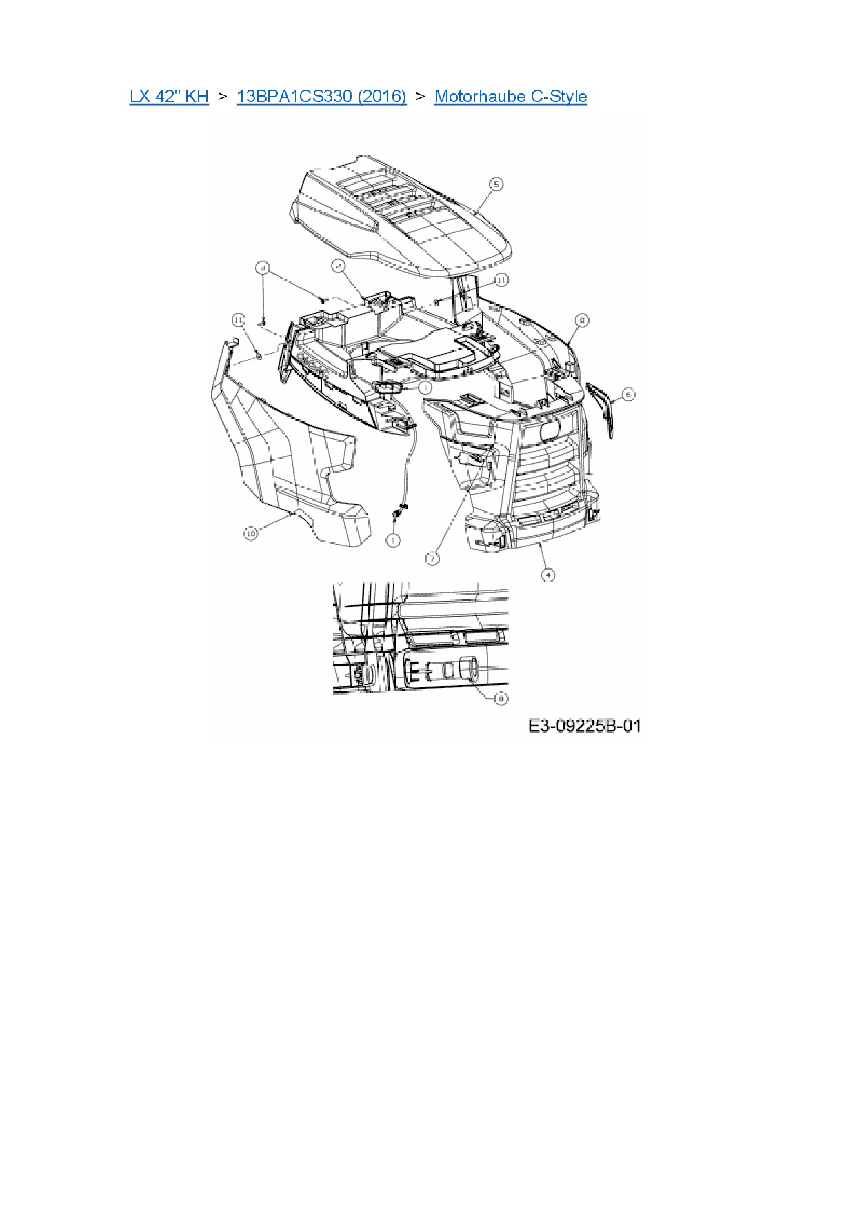
Zeichnung Motorhaube C-Style

Die Ersatzteil-Zeichnung für Rasentraktor Cub Cadet LX 42" KH als Download:
Download Ersatzteil-Zeichnung Cub Cadet LX 42" KH Zeichnung Motorhaube C-Style (PDF-Format)
Download Ersatzteil-Zeichnung Cub Cadet LX 42" KH Zeichnung Motorhaube C-Style (JPG-Format)

Sollten Sie Fragen zu einem Ersatzteil haben, können Sie uns gerne eine E-Mail (mit einem Foto vom Typenschild Ihres Gerätes) schreiben oder eine Ersatzteilanfrage stellen.

Ersatzteile für Rasentraktor Cub Cadet LX 42" KH aus der Zeichnung Motorhaube C-Style:
Artikel 1 - 3 von 3

17,71 € *
Lieferzeit: 2 - 10 Werktage
17,71 € *
Lieferzeit: 2 - 10 Werktage
5,88 € *
Lieferzeit: 2 - 10 Werktage

Artikel 1 - 3 von 3