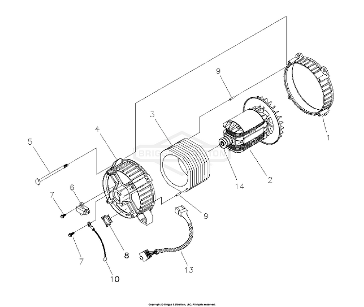
Motor

Zeichnung Snapper 85905 - G35000, 3500 Watt 6.5 HP Generator (030214) - Zeichnungsgruppe Motor:

Zeichnung

Sollten Sie Fragen zu einem Ersatzteil haben, können Sie uns gerne eine Ersatzteilanfrage stellen.

Hier finden Sie alle Ersatzteile von Snapper 85905 - G35000, 3500 Watt 6.5 HP Generator (030214) der Zeichnungsgruppe Motor:
Artikel 1 - 9 von 9


Artikel 1 - 9 von 9