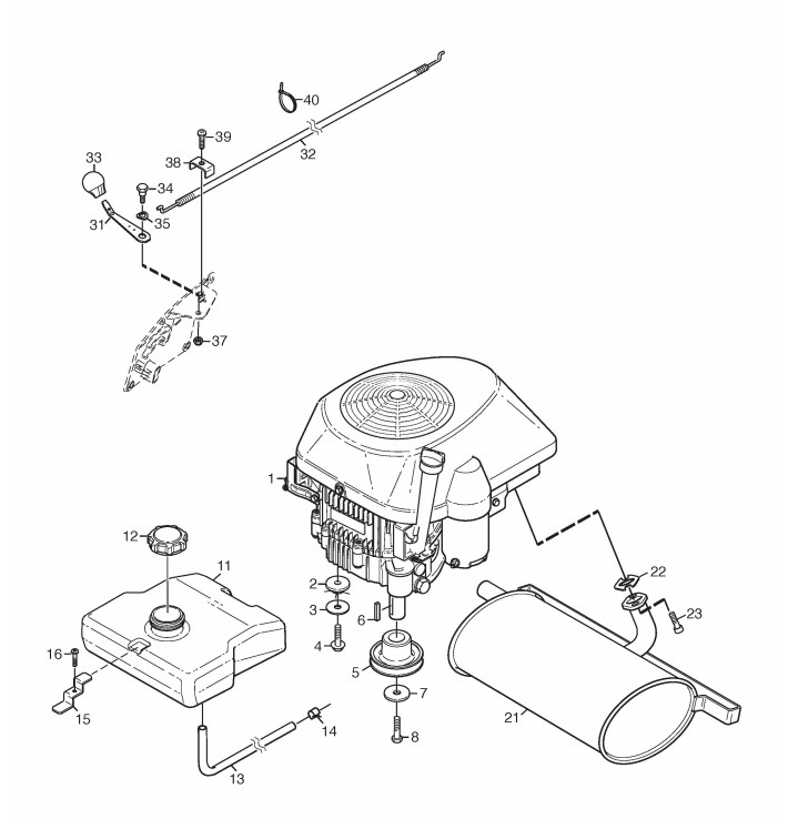
Motor

Zeichnungen von Stiga Frontaufsitzmäher Primo mit Geräte Nr. 13-2411-13 ab Baujahr 2011

Zeichnung


Beachten Sie bitte, dass die Gerätebezeichnung Stiga Frontaufsitzmäher Primo, das Baujahr ab 2011 und die Geräte Nr. 13-2411-13 lauten muss, denn nur so kann sichergestellt werden, dass das Ersatzteil passt.
Nur die hier aufgeführten Ersatzteile sind für dieses Gerät verfügbar. Alle anderen Ersatzteile sind nicht mehr lieferbar.
Ersatzteile von Stiga Frontaufsitzmäher PRIMO (Geräte ID 13-2411-13) Baujahr ab Bj 2011:
Artikel 1 - 20 von 23

7,42 € *
Lieferzeit: 2 - 10 Werktage
6,28 € *
Lieferzeit: 2 - 10 Werktage
14,17 € *
Lieferzeit: 2 - 10 Werktage
5,95 € *
Lieferzeit: 2 - 10 Werktage

Artikel 1 - 20 von 23