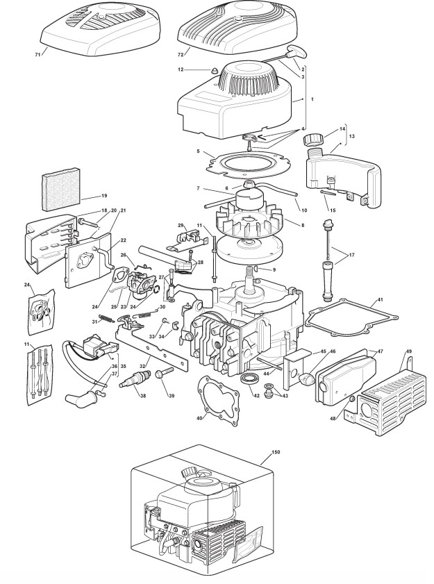
Motor - ST. SV150 (1)

Zeichnung von Castelgarden Benzinrasenmäher ab 2008 R 484 G (ID 298436041/GI7):

Klicken Sie auf diese Zeichnung

Sollten Sie Fragen zu einem Ersatzteil haben, können Sie uns gerne eine Ersatzteilanfrage stellen.

Hier finden Sie alle Ersatzteile von Castelgarden Benzinrasenmäher ab 2008 R 484 G (ID 298436041/GI7) aus der Zeichnung Motor - ST. SV150 (1):
Artikel 1 - 29 von 29


Artikel 1 - 29 von 29