Motor, Motorzubehör

Zeichnung für Cub Cadet Zero Turn All Rounder 1050 mit der Geräte-Artikelnr. 17AH9BKP603 ab Baujahr 2007:

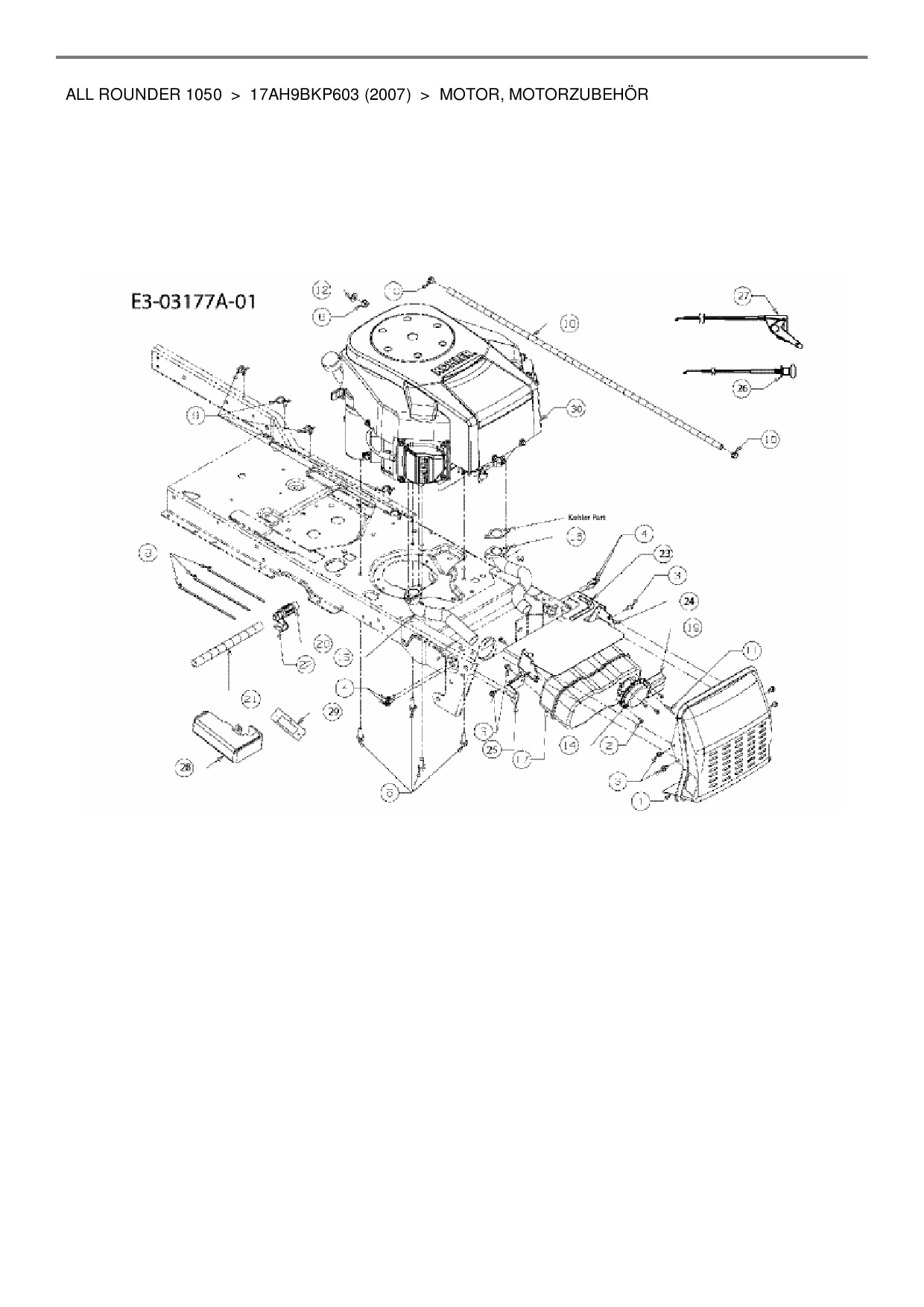
Zeichnung Motor, Motorzubehör

Die Ersatzteil-Zeichnung für Zero Turn Cub Cadet All Rounder 1050 als Download:
Download Ersatzteil-Zeichnung Cub Cadet All Rounder 1050 Zeichnung Motor, Motorzubehör (PDF-Format)
Download Ersatzteil-Zeichnung Cub Cadet All Rounder 1050 Zeichnung Motor, Motorzubehör (JPG-Format)

Sollten Sie Fragen zu einem Ersatzteil haben, können Sie uns gerne eine E-Mail (mit einem Foto vom Typenschild Ihres Gerätes) schreiben oder eine Ersatzteilanfrage stellen.

Ersatzteile für Zero Turn Cub Cadet All Rounder 1050 aus der Zeichnung Motor, Motorzubehör:
Artikel 1 - 12 von 12

71,42 € *
Lieferzeit: 2 - 10 Werktage
11,22 € *
Lieferzeit: 2 - 10 Werktage
14,27 € *
Lieferzeit: 2 - 10 Werktage
22,26 € *
Lieferzeit: 2 - 10 Werktage
5,58 € *
Lieferzeit: 2 - 10 Werktage
4,65 € *
Lieferzeit: 2 - 10 Werktage

Artikel 1 - 12 von 12