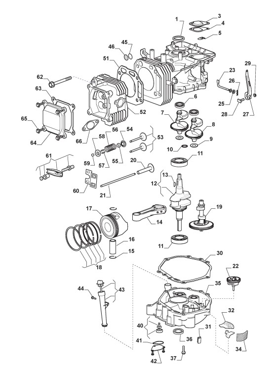
Motor - Kolben, Motorwelle (1)

Zeichnungen von Stiga Aufsitzmäher TORNADO 2098 H AP mit Geräte Nr. 2T0630401/AP17 ab Baujahr 2017

Zeichnung


Beachten Sie bitte, dass die Gerätebezeichnung Stiga Aufsitzmäher TORNADO 2098 H AP, das Baujahr ab 2017 und die Geräte Nr. 2T0630401/AP17 lauten muss, denn nur so kann sichergestellt werden, dass das Ersatzteil passt.
Nur die hier aufgeführten Ersatzteile sind für dieses Gerät verfügbar. Alle anderen Ersatzteile sind nicht mehr lieferbar.
Ersatzteile von Stiga Aufsitzmäher TORNADO 2098 H AP (Geräte-ID 2T0630401/AP17) ab 2017:
Artikel 1 - 20 von 39


Artikel 1 - 20 von 39