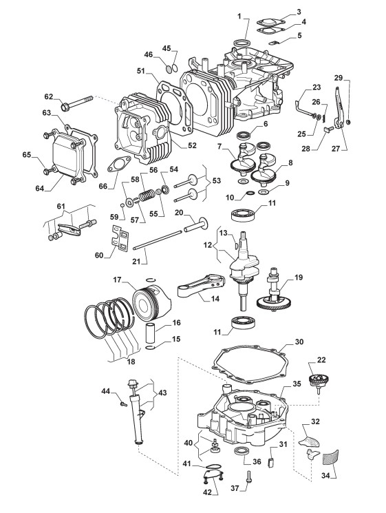
Motor - Kolben, Motorwelle (1)

Zeichnungen von Stiga Aufsitzmäher ESTATE 4102 H mit Geräte Nr. 2T1730481/17 ab Baujahr 2017

Zeichnung


Beachten Sie bitte, dass die Gerätebezeichnung Stiga Aufsitzmäher ESTATE 4102 H, das Baujahr ab 2017 und die Geräte Nr. 2T1730481/17 lauten muss, denn nur so kann sichergestellt werden, dass das Ersatzteil passt.
Nur die hier aufgeführten Ersatzteile sind für dieses Gerät verfügbar. Alle anderen Ersatzteile sind nicht mehr lieferbar.
Ersatzteile von Stiga Aufsitzmäher ESTATE 4102 H (Geräte-ID 2T1730481/17) ab 2017:
Artikel 1 - 20 von 39


Artikel 1 - 20 von 39