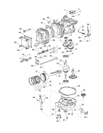
Motor - Kolben, Motorwelle (1)

Zeichnungen von Stiga Aufsitzmäher TORNADO 4108 H mit Geräte Nr. 2T1810481/17 ab Baujahr 2020

Zeichnung


Beachten Sie bitte, dass die Gerätebezeichnung Stiga Aufsitzmäher TORNADO 4108 H, das Baujahr ab 2020 und die Geräte Nr. 2T1810481/17 lauten muss, denn nur so kann sichergestellt werden, dass das Ersatzteil passt.
Nur die hier aufgeführten Ersatzteile sind für dieses Gerät verfügbar. Alle anderen Ersatzteile sind nicht mehr lieferbar.
Ersatzteile von Stiga Aufsitzmäher TORNADO 4108 H (Geräte-ID 2T1810481/17) ab 2020:
Artikel 1 - 20 von 38


Artikel 1 - 20 von 38