Motor-Anbauteile Lombardini 6LD360 et 6LD400, Reversierstart

Ersatzteile für Agria # Einachser # agria 3400 # Art-Nr 3400893 | agria 3400 D Schnellgang | Lombardini 6 LD 400 6,2kW, Handstart, Differenzial # Motor Anbauteile # Motor-Anbauteile Lombardini 6LD360 et 6LD400, Reversierstart

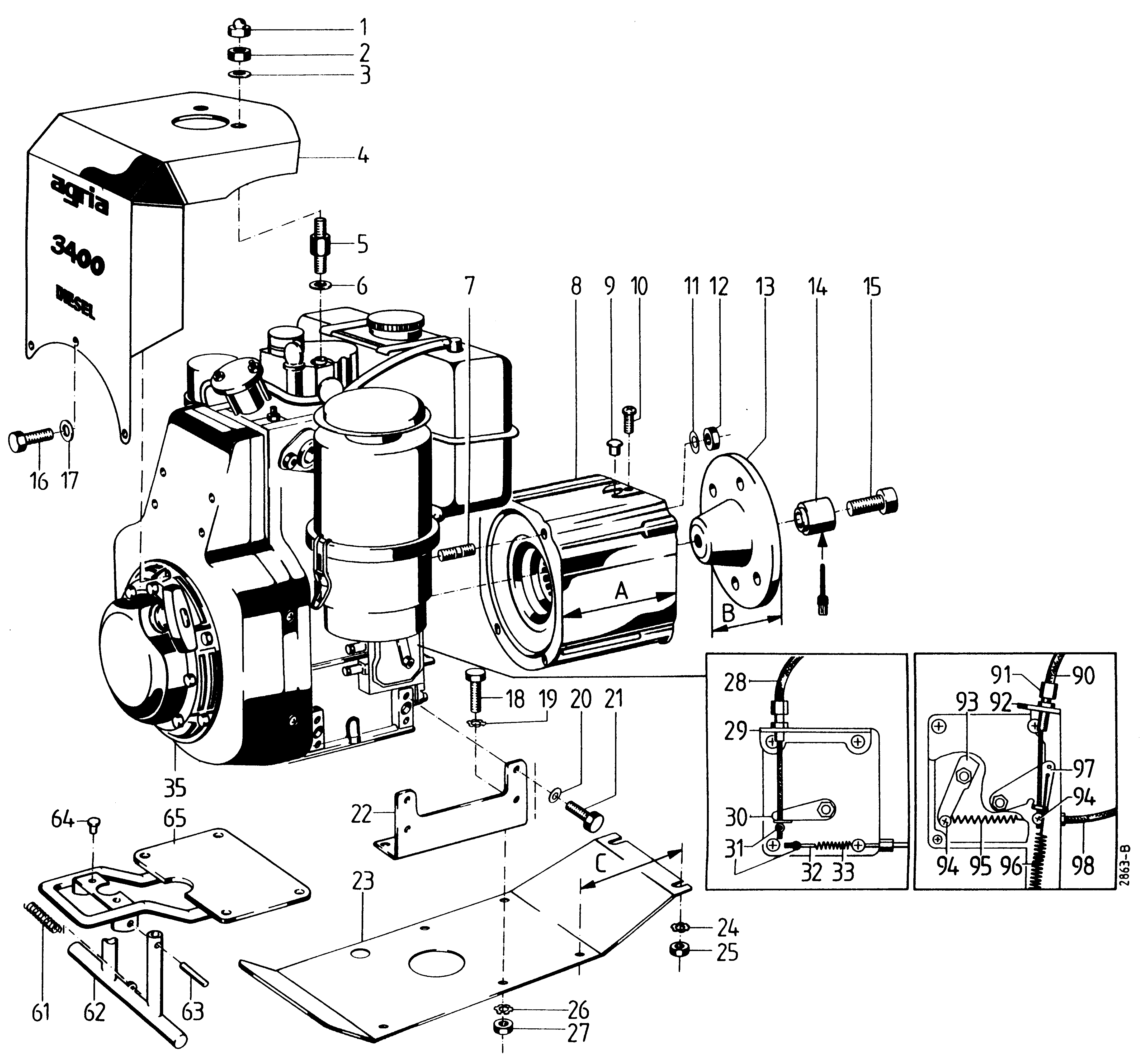
Zeichnung

Sollten Sie Fragen zu einem Ersatzteil für Agria Einachser haben, können Sie uns gerne eine E-Mail (mit einem Foto vom Typenschild Ihres Gerätes) schreiben oder eine Ersatzteilanfrage stellen.

Folgende Ersatzteile für Agria # Einachser # agria 3400 # Art-Nr 3400893 | agria 3400 D Schnellgang | Lombardini 6 LD 400 6,2kW, Handstart, Differenzial # Motor Anbauteile # Motor-Anbauteile Lombardini 6LD360 et 6LD400, Reversierstart können Sie hier bestellen:
Artikel 1 - 20 von 48


Artikel 1 - 20 von 48