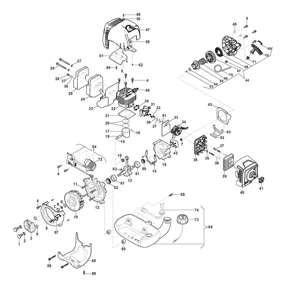
Motor (1)

Zeichnungen von Stiga Rasentrimmer/Freischneider SBC 242 D mit Geräte Nr. 287321002/17 ab Baujahr 2017

Zeichnung


Beachten Sie bitte, dass die Gerätebezeichnung Stiga Rasentrimmer/Freischneider SBC 242 D, das Baujahr ab 2017 und die Geräte Nr. 287321002/17 lauten muss, denn nur so kann sichergestellt werden, dass das Ersatzteil passt.
Nur die hier aufgeführten Ersatzteile sind für dieses Gerät verfügbar. Alle anderen Ersatzteile sind nicht mehr lieferbar.
Ersatzteile von Stiga Rasentrimmer/Freischneider SBC 242 D (Geräte ID 287321002/17) Baujahr ab Bj 2017:
Artikel 1 - 44 von 44


Artikel 1 - 44 von 44