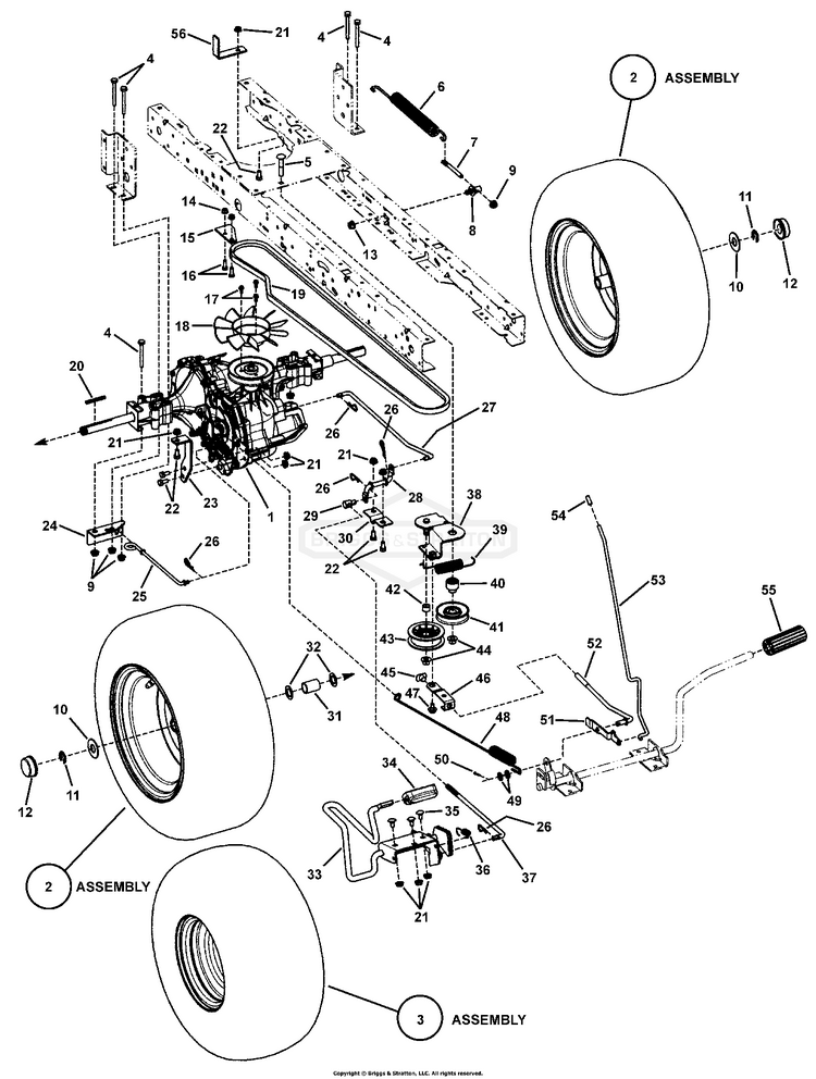
Motion Drive Group

Zeichnung Snapper 7800316 - SLT23460FC, 46" 23HP Lawn Tractor LT100 Series aus der Zeichnungsgruppe Motion Drive Group:

Zeichnung

Sollten Sie Fragen zu einem Ersatzteil haben, können Sie uns gerne eine Ersatzteilanfrage stellen.

Hier finden Sie alle Ersatzteile von Snapper 7800316 - SLT23460FC, 46" 23HP Lawn Tractor LT100 Series der Zeichnungsgruppe Motion Drive Group:
Artikel 1 - 20 von 28


Artikel 1 - 20 von 28