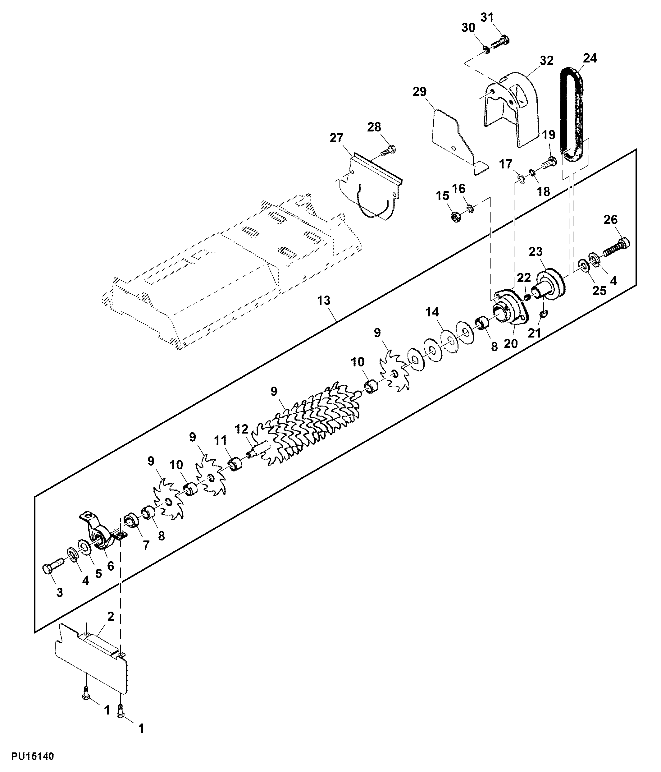
Messer, Welle und Antrieb - ST821583

Ersatzteile für Sabo Vertikutierer Benzin Vertikutierer D45C (SA1598, SA336520) - PC4939

Zeichnung

Sollten Sie Fragen zu einem Ersatzteil vom Sabo Vertikutierer Benzin Vertikutierer D45C (SA1598, SA336520) - PC4939 haben, können Sie uns gerne eine E-Mail (mit einem Foto vom Typenschild Ihres Gerätes) schreiben oder eine Ersatzteilanfrage stellen.

Folgende Ersatzteile für Sabo Vertikutierer Benzin Vertikutierer D45C (SA1598, SA336520) - PC4939 können Sie hier bestellen:
Artikel 1 - 30 von 30


Artikel 1 - 30 von 30