Messer, Messeraufnahme, Mulchstopfen

Zeichnung für Variolux Motormäher mit Antrieb V-55 BCAERQ mit der Geräte-Artikelnr. 12AJ868Z620 ab Baujahr 2008:

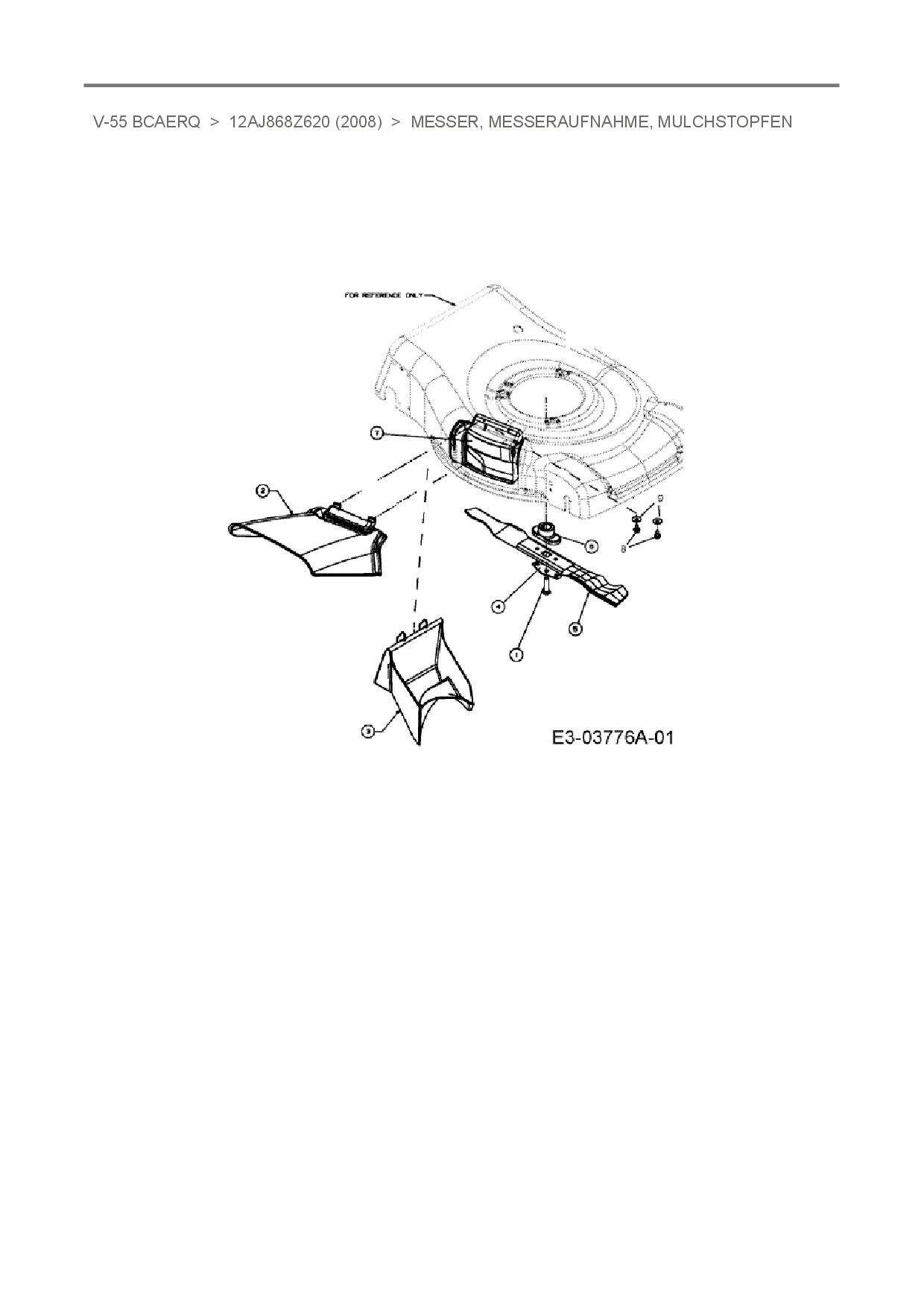
Zeichnung Messer, Messeraufnahme, Mulchstopfen

Die Ersatzteil-Zeichnung für Motormäher mit Antrieb Variolux V-55 BCAERQ als Download:
Download Ersatzteil-Zeichnung Variolux V-55 BCAERQ Zeichnung Messer, Messeraufnahme, Mulchstopfen (PDF-Format)
Download Ersatzteil-Zeichnung Variolux V-55 BCAERQ Zeichnung Messer, Messeraufnahme, Mulchstopfen (JPG-Format)

Sollten Sie Fragen zu einem Ersatzteil haben, können Sie uns gerne eine E-Mail (mit einem Foto vom Typenschild Ihres Gerätes) schreiben oder eine Ersatzteilanfrage stellen.

Ersatzteile für Motormäher mit Antrieb Variolux V-55 BCAERQ aus der Zeichnung Messer, Messeraufnahme, Mulchstopfen:
Artikel 1 - 9 von 9


Artikel 1 - 9 von 9