Mauernutfräse GNF 65 A (0 601 368 703)

Zeichnungen von Bosch Mauernutfräse GNF 65 A mit der Geräte-Artikelnummer 0 601 368 703

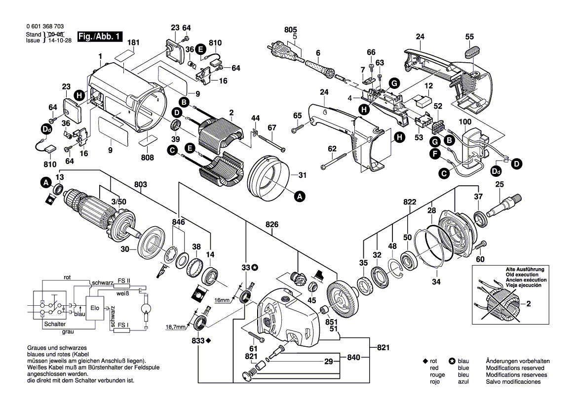
Zeichnung 1
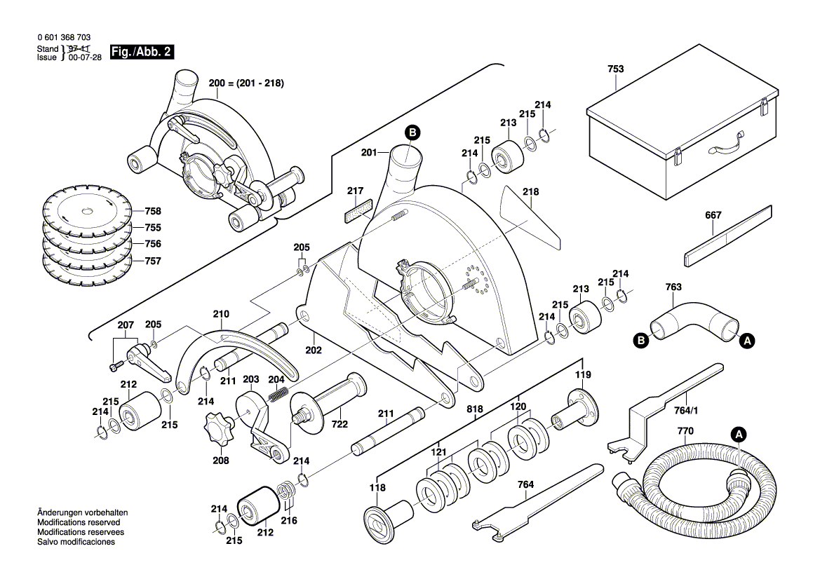
Zeichnung 2


Beachten Sie bitte, dass Ihre Geräte Nr. 0 601 368 703 lauten muss. Nur so kann sichergestellt werden, dass das Ersatzteil passt.
Sollten Sie Fragen zu einem Ersatzteil haben, können Sie uns gerne eine Mail (mit Bild vom Geräte-Typenschild) schreiben oder eine Ersatzteilanfrage stellen.
Ersatzteile von Bosch Mauernutfräse GNF 65 A (0 601 368 703):
Artikel 1 - 40 von 74

5,78 € *
Lieferzeit: 2 - 10 Werktage
63,26 € *
Lieferzeit: 2 - 10 Werktage
4,52 € *
Lieferzeit: 2 - 10 Werktage
4,52 € *
Lieferzeit: 2 - 10 Werktage
5,78 € *
Lieferzeit: 2 - 10 Werktage
4,52 € *
Lieferzeit: 2 - 10 Werktage
4,52 € *
Lieferzeit: 2 - 10 Werktage
5,28 € *
Lieferzeit: 2 - 10 Werktage

Artikel 1 - 40 von 74